| | | | | | | | | | |
|---|
| Model | Rated torque (Nm) | Heat class | Max. rpm (min-1) | Moment of inertia J (kg·m2) | Max braking energy Eeal (J) | Total braking energy ET (J) | Pull in time ta (s) | Torque build up tp (s) | Mass (kg) | 3D |
| 102-02-13 | 0.4 | B | 10000 | 6.75 × 10-7 | 1500 | 2 × 106 | 0.009 | 0.019 | 0.075 | |
| 102-02-15 | | | 500 | 1.00 × 10-6 | | | | | 0.081 | |
| 102-02-11 | | | 10000 | 1.00 × 10-6 | | | | | 0.079 | |
| 102-03-13 | 0.6 | B | 10000 | 1.30 × 10-6 | 2300 | 3 × 106 | 0.009 | 0.022 | 0.096 | |
| 102-03-15 | | | 500 | 1.95 × 10-6 | | | | | 0.105 | |
| 102-03-11 | | | 10000 | 1.95 × 10-6 | | | | | 0.103 | |
| 102-04-13 | 1.2 | B | 10000 | 4.38 × 10-6 | 4500 | 6 × 106 | 0.011 | 0.028 | 0.178 | |
| 102-04-15 | | | 500 | 6.15 × 10-6 | | | | | 0.195 | |
| 102-04-11 | | | 10000 | 6.15 × 10-6 | | | | | 0.191 | |
| 102-05-13 | 2.4 | B | 10000 | 9.08 × 10-6 | 9000 | 9 × 106 | 0.012 | 0.031 | 0.310 | |
| 102-05-15 | | | 500 | 1.38 × 10-5 | | | | | 0.335 | |
| 102-05-11 | | | 10000 | 1.38 × 10-5 | | | | | 0.325 | |
Wordpress Table PluginAvailable voltage: 24 V DC
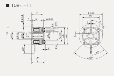
Unit [mm]
| | | | | | | | | | | | | | | | | |
|---|
| Model | d1 H7 | A1 | A2 | A3 | A4 | C1 | C2 | C3 | C4 | C5 | S | H | J | K | L | a | 3D |
| 102-02-13 | 5 | 31 | 28 | 19.5 | 10.5 | 39 | 33.5 | 11.4 | 11 | 8 | ー | 18 | 16.5 | 1.5 | 20.4 | 0.1 | |
| 102-03-13 | 6 | 34 | 32 | 23 | 12.5 | 45 | 38 | 13.6 | 13 | 10 | 33 | 22.2 | 20.2 | 2 | 24.5 | 0.15 | |
| 102-04-13 | 8-10 | 43 | 40 | 30 | 18.5 | 54 | 47 | 20 | 19 | 15.5 | 41 | 25.4 | 23.4 | 2 | 28.1 | 0.15 | |
| 102-05-13 | 10-15 | 54 | 50 | 38 | 25.5 | 65 | 58 | 27.2 | 26 | 22 | 51 | 28.1 | 26.1 | 2 | 31.3 | 0.2 | |
Wordpress Table PluginUnit [mm]
| | | | | | | | | | | | | | | | | | |
|---|
| Model | d1 H7 | d2 H7 | A1 | A2 | A3 | C1 | C2 | C3 | C4 | C5 | S | H | J | K | L1 | L2 | a | 3D |
| 102-02-15 | 5 | 5 | 31 | 28 | 13 | 39 | 33.5 | 11.4 | 11 | 8 | – | 18 | 16.5 | 1.5 | 27.7 | 22.4 | 0.1 | |
| 102-03-15 | 6 | 6 | 34 | 32 | 14 | 45 | 38 | 13.6 | 13 | 10 | 33 | 22.2 | 20.2 | 2 | 34.5 | 26.5 | 0.15 | |
| 102-04-15 | 8-10 | 8-10 | 43 | 40 | 18 | 54 | 47 | 20 | 19 | 15.5 | 41 | 25.4 | 23.4 | 2 | 40.2 | 30.8 | 0.15 | |
| 102-05-15 | 10-15 | 10-15 | 54 | 50 | 28 | 65 | 58 | 27.2 | 26 | 22 | 51 | 28.1 | 26.1 | 2 | 43.3 | 34.3 | 0.2 | |
Wordpress Table PluginUnit [mm]
| | | | | | | | | | | | | | | | | | |
|---|
| Model | d1 H7 | d2 H7 | A1 | A2 | A3 | C1 | C2 | C3 | C4 | C5 | S | H | J | K | L1 | L2 | a | 3D |
| 102-02-11 | 5 | 5 | 31 | 28 | 13 | 39 | 33.5 | 11.4 | 11 | 8 | – | 18 | 16.5 | 1.5 | 27.7 | 22.4 | 0.1 | |
| 102-03-11 | 6 | 6 | 34 | 32 | 14 | 45 | 38 | 13.6 | 13 | 10 | 33 | 22.2 | 20.2 | 2 | 34.5 | 26.5 | 0.15 | |
| 102-04-11 | 8-10 | 8-10 | 43 | 40 | 18 | 54 | 47 | 20 | 19 | 15.5 | 41 | 25.4 | 23.4 | 2 | 40.2 | 30.8 | 0.15 | |
| 102-05-11 | 10-15 | 10-15 | 54 | 50 | 28 | 65 | 58 | 27.2 | 26 | 22 | 51 | 28.1 | 26.1 | 2 | 43.3 | 34.3 | 0.2 | |
Wordpress Table PluginAutomation
In the field of automation especially around warehouse technology like order income, storing and goods shipments, the grade of Automation in industrialized countries is enormous. The current drive technology solutions are used for transportation, stocking and other…
Learn moreMedical
The Industry of medical technology only accepts the highest standards in safety and precision. In case of a malfunction a person’s health could seriously be affected. Devices such as computed tomography, surgical stands and patient beds often contain more technology…
Learn moreMechanical engineering
In the field of special machine construction there is a large variety of applications and usage of drive technology equipment. As this field is extremely wide in applications Miki Pulley is supplying to special coil winding machine producers, ship loaders…
Learn more