The model P of the Speed Change Pulleys is a stand-alone solution. Standard V-Belts are used for transmitting the torque. The maximum diameter is 218 mm for this series.
The model P of the Speed Change Pulleys is a stand-alone solution. Standard V-Belts are used for transmitting the torque. The maximum diameter is 218 mm for this series.
| Model | Motor | Ratio rpm | Belt | kW High Speed | kW Low Speed | Mass (kg) |
| P-86 | 0.2 〜 0.4 kW | 1 : 1.5 | A | 0.7 | 0.3 | 1.1 |
| P-98 | 0.4 〜 0.75 kW | 1 : 1.4 | A | 1.2 | 0.4 | 1.8 |
| P-106 | 0.4 〜 0.75 kW | 1 : 1.6 | B | 1.3 | 0.6 | 2 |
| P-124 | 0.75 〜 1.5 kW | 1 : 1.5 | B | 1.8 | 0.8 | 3 |
| P-164 | 1.5 〜 2.2 kW | 1 : 1.5 | C | 3.2 | 1.2 | 6 |
| P-218 | 2.2 〜 3.7 kW | 1 : 1.4 | C | 6.2 | 3.2 | 14 |
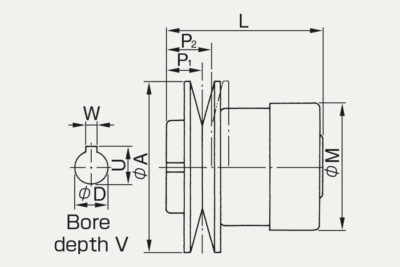
Unit [mm]
| Model | A | P1 | P2 | L | M | D min. | D max. | V | Max. P.D. | Min. P.D. |
| P-86 | 86 | 18 | 21.5 | 78 | 63 | 11 | 14 | 30 | 77 | 51 |
| P-98 | 98 | 19 | 22.5 | 85 | 73 | 14 | 19 | 40 | 89 | 62 |
| P-106 | 106 | 21 | 26 | 96 | 73 | 14 | 19 | 40 | 95 | 58 |
| P-124 | 124 | 22 | 27 | 101 | 84 | 19 | 24 | 50 | 113 | 75 |
| P-164 | 164 | 25 | 32 | 130 | 102 | 24 | 28 | 50 | 150 | 96 |
| P-218 | 218 | 27 | 34 | 163 | 132 | 28 | 28 | 60 | 204 | 150 |
In the field of special machine construction there is a large variety of applications and usage of drive technology equipment. As this field is extremely wide in applications Miki Pulley is supplying to special coil winding machine producers, ship loaders…

Miki Pulley is proudly looking back to a long year’s successful history in the field of machinetools. With a market share of over 80% in Japan in the field of flexible shaft couplings Miki Pulley could achieve the market leader position in this specific field. The flexible…

In the field of automation especially around warehouse technology like order income, storing and goods shipments, the grade of Automation in industrialized countries is enormous. The current drive technology solutions are used for transportation, stocking and other…

You need to load content from reCAPTCHA to submit the form. Please note that doing so will share data with third-party providers.
More InformationYou are currently viewing a placeholder content from Turnstile. To access the actual content, click the button below. Please note that doing so will share data with third-party providers.
More Information