Das Modell 121 besitzt eine aussenliegende Kupplung sowie Bremse. Sie enthält ein getrenntes Wellensystem vereint in einem leichten Aluminiumgehäuse, wobei die Eingangswelle konstant rotiert und die Abgangswelle beliebig getaktet werden kann.
| Modell | Nenndrehmoment (Nm) | Schutz- klasse | Max. rpm (min-1) | Trägheitsmoment J (kg·m2) | Maximale Bremsenergie Ebal (J) | Gesamte Bremsenergie ET (J) | Schliessdauer tar (s) | Momentaufbau tp (s) | Masse (kg) |
| 121-06-20G | 5 | B | 3000 | 1.43 × 10-4 | 500 | 36 × 106 | 0.02 | 0.041 | 1.5 |
| 121-08-20G | 10 | B | 3000 | 4.23 × 10-4 | 800 | 60 × 106 | 0.023 | 0.051 | 2.7 |
| 121-10-20G | 20 | B | 3000 | 1.42 × 10-3 | 1500 | 130 × 106 | 0.025 | 0.063 | 5.5 |
| 121-12-20G | 40 | B | 3000 | 4.18 × 10-3 | 1500 | 250 × 106 | 0.04 | 0.115 | 9.6 |
| 121-16-20G | 80 | B | 3000 | 1.34 × 10-2 | 1800 | 470 × 106 | 0.05 | 0.16 | 18.5 |
| 121-20-20G | 160 | B | 2500 | 4.13 × 10-2 | 2000 | 10 × 108 | 0.09 | 0.25 | 35 |
| 121-25-20G | 320 | B | 2000 | 1.02 × 10-1 | 1800 | 20 × 108 | 0.115 | 0.335 | 64 |
Verfügbare Spannung: 24 V DC
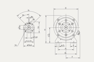
Einheit [mm]
| Modell | A1 | A2 | B1 | B2 | C | D | E | F | G | H | J1 | J2 | K | L | M | N |
| 121-06-20G | 52.5 | 75 | 80 | 90 | 55 | 80 | 27.5 | 53 | 2.6 | 95 | 65.5 | 40.5 | 105.5 | 181 | 47 | 33 |
| 121-08-20G | 65 | 90 | 90 | 105 | 65 | 100 | 27.5 | 61 | 2.6 | 115 | 78.5 | 48.5 | 126.5 | 217 | 57 | 37 |
| 121-10-20G | 80 | 110 | 110 | 130 | 80 | 125 | 32.5 | 72 | 3.2 | 142.5 | 98 | 62 | 154 | 270 | 72 | 47 |
| 121-12-20G | 105 | 135 | 140 | 160 | 90 | 150 | 35 | 81 | 3.2 | 165 | 121 | 73.5 | 184 | 330 | 92 | 52 |
| 121-16-20G | 135 | 160 | 175 | 185 | 112 | 190 | 43 | 97 | 4.5 | 207 | 149 | 90 | 221 | 399 | 113 | 62 |
| 121-20-20G | 155 | 200 | 200 | 230 | 132 | 230 | 45 | 109 | 6 | 247 | 187 | 117 | 276 | 504 | 142 | 74.5 |
| 121-25-20G | 195 | 240 | 240 | 270 | 160 | 290 | 47.5 | 124 | 20 | 305 | 238 | 154 | 334 | 632 | 183 | 101.5 |
Die Automatisierung, speziell im Bereich der Lagerhaltung und Warenannahme sowie Ausgabe, ist heutzutage in Industrieländern nicht mehr wegzudenken. Hier sind Antriebslösungen in der Beförderung, Einlagerung und Auslagerung zu einem essentiellen…

Im Bereich der Medizintechnik ist nur höchste Sicherheit und Präzision akzeptabel da bei einer Fehlfunktion die Gesundheit eines Menschen schwer darunter leiden könnte. In Geräten wie dem Computertomographen, Operationsstativen und Patientenbetten…

Im Bereich des Sondermaschinenbaus gibt es eine grosse Varianz an Anwendungen und Applikationen für die Antriebstechnik. So werden hier Hersteller von Spezial Drahtwickelmaschinen über hochkomplexe und vollautomatisierte…

Sie müssen den Inhalt von reCAPTCHA laden, um das Formular abzuschicken. Bitte beachten Sie, dass dabei Daten mit Drittanbietern ausgetauscht werden.
Mehr InformationenSie sehen gerade einen Platzhalterinhalt von Turnstile. Um auf den eigentlichen Inhalt zuzugreifen, klicken Sie auf die Schaltfläche unten. Bitte beachten Sie, dass dabei Daten an Drittanbieter weitergegeben werden.
Mehr Informationen