Das BXR Modell ist eine Notfall- und Haltebremse. Ihr Hauptmerkmal ist das schlanke Design, was sie zu einer perfekten Lösung in beschränkten Bauräumen macht. Haupteinsatzfälle finden sich in der Robotik und in Servoantrieben.
| Modell | Nenndrehmoment (Nm) | Schutz- klasse | Max. rpm (min-1) | Trägheitsmoment J (kg·m2) | Maximale Bremsenergie Ebal (J) | Gesamte Bremsenergie ET (J) | Öffnungdauer ta (s) | Schliessdauer tar (s) | Masse (kg) | 3D |
| BXR-06-15-005 | 5 | F | 5000 | 2.35 × 10-5 | 500 | 2.0 × 105 | 0.05 | 0.02 | 0.9 | |
| BXR-08-15-012 | 12 | F | 5000 | 3.45 × 10-5 | 800 | 2.0 × 105 | 0.08 | 0.02 | 1.2 | |
| BXR-10-15-016 | 16 | F | 5000 | 1.12 × 10-4 | 1500 | 2.2 × 106 | 0.11 | 0.05 | 1.3 | |
| BXR-12-15-030 | 30 | F | 5000 | 1.88 × 10-4 | 1500 | 2.5 × 106 | 0.12 | 0.03 | 2.3 | |
| BXR-14-15-038 | 38 | F | 3600 | 4.22 × 10-4 | 1800 | 3.0 × 106 | 0.12 | 0.03 | 3 | |
| BXR-16-15-055 | 55 | F | 3600 | 7.10 × 10-4 | 2000 | 3.0 × 106 | 0.22 | 0.1 | 3.6 |
Typ 10: Ausführung Vierkantnabe, verfügbare Spannungen: 24, 90 und 180 V DC
| Modell | Nenndrehmoment (Nm) | Schutz- klasse | Max. rpm (min-1) | Trägheitsmoment J (kg·m2) | Maximale Bremsenergie Ebal (J) | Gesamte Bremsenergie ET (J) | Öffnungdauer ta (s) | Schliessdauer tar (s) | Masse (kg) | 3D |
| BXR-06-25-005 | 5 | F | 5000 | 3.39 × 10-5 | 500 | 2.0 × 105 | 0.05 | 0.02 | 1.1 | |
| BXR-08-25-012 | 12 | F | 5000 | 7.56 × 10-5 | 800 | 2.0 × 105 | 0.08 | 0.02 | 1.4 | |
| BXR-10-25-016 | 16 | F | 5000 | 3.02 × 10-4 | 1500 | 2.2 × 106 | 0.11 | 0.05 | 1.6 | |
| BXR-12-25-030 | 30 | F | 5000 | 4.77 × 10-4 | 1500 | 2.5 × 106 | 0.12 | 0.03 | 2.6 | |
| BXR-14-25-038 | 38 | F | 3600 | 11.3 × 10-4 | 1800 | 3.0 × 106 | 0.12 | 0.03 | 3.5 | |
| BXR-16-25-055 | 55 | F | 3600 | 19.1 × 10-4 | 2000 | 3.0 × 106 | 0.22 | 0.1 | 4.1 |
Typ 20: Ausführung Vielzahnnabe, verfügbare Spannungen: 24, 90 und 180 V DC
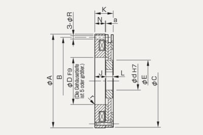
Einheit [mm]
| Modell | A | B | C | D | r | E | F | R | S | J | J1 | L | N | K | K1 | a | 3D |
| BXR-06-15-005 | 83.5 | 76 | 82 | 47 | R0,5 | 42 | 35 | 4.5 | 9 | 17 | - | 7 | 14.7 | 25 | - | 0.1 | |
| BXR-08-15-012 | 93.5 | 85 | 92 | 49 | R0,5 | 42 | 35 | 4.5 | 10 | 19 | - | 7 | 15.7 | 27 | - | 0.1 | |
| BXR-10-15-016 | 123.5 | 115 | 122 | 62 | R0,5 | 55 | 45 | 4.5 | 9.5 | 14.6 | - | 9 | 13.7 | 24.3 | - | 0.1 | |
| BXR-12-15-030 | 137.5 | 130 | 136 | 65 | R1 | 62 | 50 | 4.5 | 12 | 15.4 | - | 9 | 12.5 | 25 | - | 0.15 | |
| BXR-14-15-038 | 167.5 | 158 | 166 | 80 | R1 | 74 | 60 | 5.5 | 12 | 16 | - | 9 | 12 | 25 | - | 0.15 | |
| BXR-16-15-055 | 185 | 175 | 184 | 100 | R1 | 86 | 65 | 5.5 | 12.5 | 21.3 | - | 11.5 | 19.4 | 32.8 | - | 0.2 |
Einheit [mm]
| Modell | A | B | C | D | r | E | F | R | S | J | J1 | L | N | K | K1 | a | 3D |
| BXR-06-25-005 | 83.5 | 76 | 82 | 47 | R0,5 | 36 | - | 4.5 | 9 | 10.5 | 18 | 12.5 | 14.7 | 25 | 30.5 | 0.1 | |
| BXR-08-25-012 | 93.5 | 85 | 92 | 49 | R0,5 | 42 | - | 4.5 | 10 | 11.5 | 20 | 13.5 | 15.7 | 27 | 33.5 | 0.1 | |
| BXR-10-25-016 | 123.5 | 115 | 122 | 62 | R0,5 | 56 | - | 4.5 | 9.5 | 9 | 18 | 15 | 13.7 | 24.3 | 33 | 0.1 | |
| BXR-12-25-030 | 137.5 | 130 | 136 | 65 | R1 | 61 | - | 4.5 | 12 | 8.7 | 17.7 | 15 | 12.5 | 25 | 32.7 | 0.15 | |
| BXR-14-25-038 | 167.5 | 158 | 166 | 80 | R1 | 75 | - | 5.5 | 12 | 7.2 | 17.2 | 16 | 12 | 25 | 33.2 | 0.15 | |
| BXR-16-25-055 | 185 | 175 | 184 | 100 | R1 | 82 | - | 5.5 | 12.5 | 13.6 | 24.6 | 18 | 19.4 | 32.8 | 42.6 | 0.2 |
Durch den stetig steigenden Grad an Automatisation, speziell in den Industrieländern, ist der Bedarf an Industrie- sowie Kollaborativ Robotern ein stark wachsendes Industriesegment. Ausserordentlich wichtig sind die hohe Positioniergenauigkeit…

Ob im Bereich der Robotik, der Handling Automation oder bei Lineareinheiten, die Anforderungen an die aktuellen Servoantriebe steigen tagtäglich. Für die Sicherheitsfunktion im Stromausfall oder für die Notstop Funktion empfehlen wir unsere Sicherheitsbremsen…

Im Bereich der Medizintechnik ist nur höchste Sicherheit und Präzision akzeptabel da bei einer Fehlfunktion die Gesundheit eines Menschen schwer darunter leiden könnte. In Geräten wie dem Computertomographen, Operationsstativen und Patientenbetten…

Sie müssen den Inhalt von reCAPTCHA laden, um das Formular abzuschicken. Bitte beachten Sie, dass dabei Daten mit Drittanbietern ausgetauscht werden.
Mehr InformationenSie sehen gerade einen Platzhalterinhalt von Turnstile. Um auf den eigentlichen Inhalt zuzugreifen, klicken Sie auf die Schaltfläche unten. Bitte beachten Sie, dass dabei Daten an Drittanbieter weitergegeben werden.
Mehr Informationen