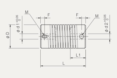
The Baumannflex ZG is a flexible shaft coupling. The power is transmitted between two shafts through the three-layer spring body made of nickel-plated spring steel wire and zinc hubs. It impresses by its high temperature range of -40 °C up to +120 °C as well as its large compensation functions.










