Bore and key way connection with red element 97 Shore A “Tight fit”
The Starflex has a simple construction of two hubs with a flexible element inside. There are three types of elements that differ in hardness and fit. The flexible element is a polyurethane elastomer and allows vibration damping and offset compensation.
| Model | Rated torque (Nm) | Max. torque (Nm) | Misalignment parallel (mm) | Misalignment angular (°) | Misalignment axial (mm) | Max. rpm (min-1) | Torsional stiffness (Nm/rad) | Axial stiffness (N/mm) | Inertia (kg·m2) | Mass (kg) | 3D |
| ALS-014ARN | (2) | (4) | 0.10 | 1 | 0 ~ +0.6 | 10000 | 21 | 380 | 1.98 × 10-7 | 0.007 | |
| ALS-020ARN | (5) | (10) | 0.10 | 1 | 0 ~ +0.8 | 10000 | 43 | 400 | 1.09 × 10-6 | 0.019 | |
| ALS-030ARN | (12.5) | (25) | 0.10 | 1 | 0 ~ +1.0 | 10000 | 136 | 650 | 6.19 × 10-6 | 0.045 | |
| ALS-040ARN | (17) | (34) | 0.10 | 1 | 0 ~ +1.2 | 10000 | 1550 | 1700 | 4.01 × 10-5 | 0.16 | |
| ALS-055ARN | (60) | (120) | 0.10 | 1 | 0 ~ +1.4 | 7000 | 2000 | 1350 | 1.63 × 10-4 | 0.34 | |
| ALS-065ARN | (160) | (320) | 0.10 | 1 | 0 ~ +1.5 | 5900 | 3100 | 1400 | 3.69 × 10-4 | 0.54 | |
| ALS-080ARN | (325) | (650) | 0.10 | 1 | 0 ~ +1.8 | 4800 | 6000 | 1710 | 1.04 × 10-3 | 1.00 | |
| ALS-095ARN | (450) | (900) | 0.10 | 1 | -0.5 ~ +2.0 | 4000 | 10000 | 4200 | 2.25 × 10-3 | 1.50 | |
| ALS-105ARN | (525) | (1050) | 0.15 | 1 | -0.9 ~ +2.0 | 3700 | 12000 | 5000 | 3.75 × 10-3 | 2.05 |
Bore and key way connection with red element 97 Shore A “Tight fit”
| Model | Rated torque (Nm) | Max. torque (Nm) | Misalignment parallel (mm) | Misalignment angular (°) | Misalignment axial (mm) | Max. rpm (min-1) | Torsional stiffness (Nm/rad) | Axial stiffness (N/mm) | Inertia (kg·m2) | Mass (kg) | 3D |
| ALS-014AYN | (1.2) | (2.4) | 0.10 | 1 | 0 ~ +0.6 | 10000 | 12 | 200 | 1.98 × 10-7 | 0.007 | |
| ALS-020AYN | (3) | (6) | 0.15 | 1 | 0 ~ +0.8 | 10000 | 24 | 210 | 1.09 × 10-6 | 0.019 | |
| ALS-030AYN | (7.5) | (15) | 0.15 | 1 | 0 ~ +1.0 | 10000 | 73 | 330 | 6.19 × 10-6 | 0.045 | |
| ALS-040AYN | (10) | (20) | 0.10 | 1 | 0 ~ +1.2 | 10000 | 760 | 940 | 4.01 × 10-5 | 0.16 | |
| ALS-055AYN | (35) | (70) | 0.15 | 1 | 0 ~ +1.4 | 7000 | 1400 | 1160 | 1.63 × 10-4 | 0.34 | |
| ALS-065AYN | (95) | (190) | 0.15 | 1 | 0 ~ +1.5 | 5900 | 2100 | 1200 | 3.69 × 10-4 | 0.54 | |
| ALS-080AYN | (190) | (380) | 0.15 | 1 | 0 ~ +1.8 | 4800 | 4000 | 1430 | 1.04 × 10-3 | 1.00 | |
| ALS-095AYN | (265) | (530) | 0.15 | 1 | -0.5 ~ +2.0 | 4000 | 6000 | 2400 | 2.25 × 10-3 | 1.50 | |
| ALS-105AYN | (310) | (620) | 0.20 | 1 | -0.9 ~ +2.0 | 3700 | 7000 | 4000 | 3.75 × 10-3 | 2.05 |
Bore and key way connection with yellow element 90 Shore A “Tight fit”
| Model | Rated torque (Nm) | Max. torque (Nm) | Misalignment parallel (mm) | Misalignment angular (°) | Misalignment axial (mm) | Max. rpm (min-1) | Torsional stiffness (Nm/rad) | Axial stiffness (N/mm) | Inertia (kg·m2) | Mass (kg) | 3D |
| ALS-030ABN | (12.5) | (25) | 0.17 | 1 | -0.2 ~ +1.0 | 10000 | 90 | 460 | 6.07 × 10-6 | 0.043 | |
| ALS-040ABN | (17) | (34) | 0.20 | 1 | -0.5 ~ +1.2 | 10000 | 400 | 640 | 4.00 × 10-5 | 0.16 | |
| ALS-055ABN | (60) | (120) | 0.22 | 1 | -0.2 ~ +1.4 | 7000 | 1150 | 400 | 1.63 × 10-4 | 0.34 | |
| ALS-065ABN | (160) | (320) | 0.25 | 1 | -0.6 ~ +1.5 | 5900 | 2000 | 800 | 3.69 × 10-4 | 0.54 | |
| ALS-080ABN | (325) | (650) | 0.28 | 1 | -0.9 ~ +1.8 | 4800 | 4550 | 600 | 1.04 × 10-3 | 1.00 | |
| ALS-095ABN | (450) | (900) | 0.32 | 1 | -0.5 ~ +2.0 | 4000 | 12000 | 800 | 2.25 × 10-3 | 1.50 | |
| ALS-105ABN | (525) | (1050) | 0.36 | 1 | -0.9 ~ +2.0 | 3700 | 15000 | 2000 | 3.75 × 10-3 | 2.05 |
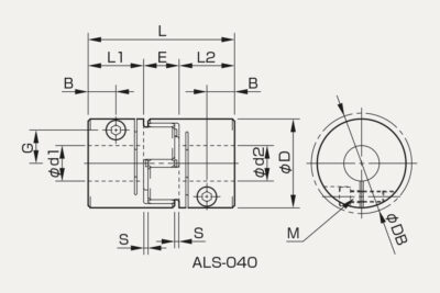
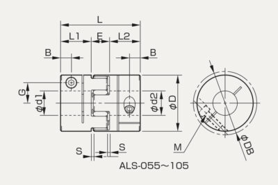
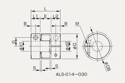
Unit [mm]
| Model | d1/d2 Min. | d1/d2 Max. | D | DB | L | L1, L2 | E | S | B | G | M | Nm | 3D |
| ALS-014ARN/AYN | 3 | 7 | 14 | 16.4 | 22 | 7 | 8 | 1 | 3.5 | 5 | 1-M2 | 0.4 | |
| ALS-020ARN/AYN | 4 | 10 | 20 | 21.7 | 30 | 10 | 10 | 1 | 5. | 7.5 | 1-M2.5 | 1 | |
| ALS-030ARN/AYN/ABN | 6 | 16 | 30 | 30 | 35 | 11 | 13 | 1.5 | 5.5 | 10.5 | 1-M3 | 1.5 | |
| ALS-040ARN/AYN/ABN | 8 | 24 | 40 | 47 (45.1) | 66 | 25 | 16 | 2 | 8 (6.5) | 15 | 1-M6 (1-M5) | 14 (7) | |
| ALS-055ARN/AYN/ABN | 10 | 30 | 55 | 56 | 78 | 30 | 18 | 2 | 8 | 20.5 | 1-M6 | 14 | |
| ALS-065ARN/AYN/ABN | 14 | 38 | 65 | 70.7 | 90 | 35 | 20 | 2.5 | 11.5 | 25 | 1-M8 | 30 | |
| ALS-080ARN/AYN/ABN | 19 | 45 | 80 | 80 | 114 | 45 | 24 | 3 | 11.5 | 30 | 1-M8 | 30 | |
| ALS-095ARN/AYN/ABN | 20 | 55 | 95 | 98.5 | 126 | 50 | 26 | 3 | 12.5 | 37 | 1-M10 | 68 | |
| ALS-105ARN/AYN/ABN | 25 | 60 | 105 | 105 | 140 | 56 | 28 | 3.5 | 12.5 | 40 | 1-M10 | 68 |
In the field of special machine construction there is a large variety of applications and usage of drive technology equipment. As this field is extremely wide in applications Miki Pulley is supplying to special coil winding machine producers, ship loaders…

Used in the field of robotics, handling automation or for the drive of linear actuators, the requirements to the new series of Servomotors is rising daily. For the safety application in a servomotor, especially in the case of a power shortage or emergency stop, Miki Pulley…

Miki Pulley is proudly looking back to a long year’s successful history in the field of machinetools. With a market share of over 80% in Japan in the field of flexible shaft couplings Miki Pulley could achieve the market leader position in this specific field. The flexible…

You need to load content from reCAPTCHA to submit the form. Please note that doing so will share data with third-party providers.
More InformationYou are currently viewing a placeholder content from Turnstile. To access the actual content, click the button below. Please note that doing so will share data with third-party providers.
More Information