The SFS-W model is a metal disc coupling with a base made of high-strength steel and double membrane steel plates. A very high torsional stiffness ensures the exact rotation of the shaft and ensures a precise transmission. The assembly is possible via bore with key way or clamping set.
| Model | Rated torque (Nm) | Misalignment parallel (mm) | Misalignment angular (°) | Misalignment axial (mm) | Max. rpm (min-1) | Torsional stiffness (Nm/rad) | Axial stiffness (N/mm) | Inertia (kg·m2) | Mass (kg) | 3D |
| SFS-05W | 20 | 0.2 | 2 | ±1.2 | 10000 | 8000 | 21 | 0.14×10-3 | 0.4 | |
| SFS-06W | 40 | 0.3 | 2 | ±1.6 | 8000 | 14000 | 22 | 0.41×10-3 | 0.7 | |
| SFS-08W | 80 | 0.3 | 2 | ±2.0 | 6800 | 41000 | 30 | 1.10×10-3 | 1.3 | |
| SFS-09W | 180 | 0.5 | 2 | ±2.4 | 6000 | 85000 | 61 | 2.20×10-3 | 2.1 | |
| SFS-10W | 250 | 0.5 | 2 | ±2.8 | 5200 | 125000 | 80 | 3.60×10-3 | 2.8 | |
| SFS-12W | 450 | 0.6 | 2 | ±3.2 | 4400 | 215000 | 98 | 9.20×10-3 | 4.9 | |
| SFS-14W | 800 | 0.7 | 2 | ±3.6 | 3800 | 390000 | 156 | 15.00×10-3 | 7.1 | |
| SFS-06W-□M-□M | 40 | 0.3 | 2 | ±1.6 | 5000 | 14000 | 22 | 0.41×10-3 | 0.9 | |
| SFS-08W-□M-□M | 80 | 0.3 | 2 | ±2.0 | 5000 | 41000 | 30 | 1.16×10-3 | 1.6 | |
| SFS-09W-□M-□M | 180 | 0.5 | 2 | ±2.4 | 5000 | 85000 | 61 | 2.40×10-3 | 2.5 | |
| SFS-10W-□M-□M | 250 | 0.5 | 2 | ±2.8 | 5000 | 125000 | 80 | 3.70×10-3 | 3 | |
| SFS-12W-□M-□M | 450 | 0.6 | 2 | ±3.2 | 4400 | 215000 | 98 | 9.50×10-3 | 5.6 | |
| SFS-14W-35M-35M | 580 | 0.7 | 2 | ±3.6 | 3800 | 390000 | 156 | 19.11×10-3 | 8.6 |
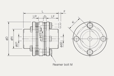
Unit [mm]
| Model | d1/d2 Min. | d1/d2 Max. | D | N | L | LF | LP | S | F | d3 | K | M | 3D |
| SFS-05W | 8 | 20 | 56 | 32 | 58 | 20 | 8 | 5 | 4 | 20 | 24 | 8-M5×15 | |
| SFS-06W | 8 | 25 | 68 | 40 | 74 | 25 | 12 | 6 | 3 | 24 | 30 | 8-M6×18 | |
| SFS-08W | 11 | 35 | 82 | 54 | 84 | 30 | 12 | 6 | 2 | 28 | 38 | 8-M6×20 | |
| SFS-09W | 11 | 38 | 94 | 58 | 98 | 30 | 22 | 8 | 12 | 32 | 42 | 8-M8×27 | |
| SFS-10W | 16 | 42 | 104 | 68 | 110 | 35 | 20 | 10 | 7 | 34 | 48 | 8-M8×27 | |
| SFS-12W | 19 | 50 | 126 | 78 | 127 | 40 | 25 | 11 | 10 | 40 | 54 | 8-M10×32 | |
| SFS-14W | 22 | 60 | 144 | 88 | 144 | 45 | 30 | 12 | 15 | 46 | 61 | 8-M12×38 |
Unit [mm]
| Model | Bore | d1 | d2 | D | N1 | N2 | L | LF1 | LF2 | LP | S | C | d3 | K | M | M1 | M2 |
| SFS-06W | □M-□M | 12, 14, 15 | 12, 14, 15 | 68 | 40 | 40 | 83.6 | 25 | 25 | 12 | 6 | 4.8 | 24 | 30 | 8-M6×18 | 4-M5 | 2-M5 |
| SFS-08W | □M-□M | 15, 16, 20, 22 | 15, 16, 20, 22 | 82 | 54 | 54 | 93.6 | 30 | 30 | 12 | 6 | 4.8 | 28 | 38 | 8-M6×20 | 4-M6 | 2-M6 |
| SFS-09W | □M-□M | 25, 28 | 25, 28 | 94 | 58 | 58 | 107.6 | 30 | 30 | 22 | 8 | 4.8 | 32 | 42 | 8-M8×27 | 6-M6 | 2-M6 |
| SFS-09W | □M-35M | 25, 28 | 35 | 94 | 58 | 68 | 115.6 | 30 | 38 | 22 | 8 | 4.8 | 32 | 42 | 8-M8×27 | 6-M6 | 2-M6 |
| SFS-10W | □M-□M | 25, 28, 30, 35 | 25, 28, 30, 35 | 104 | 68 | 68 | 119.6 | 35 | 35 | 20 | 10 | 4.8 | 34 | 48 | 8-M8×27 | 6-M6 | 2-M6 |
| SFS-12W | □M-□M*1 | 30, 35 | 30, 35 | 126 | 78 | 78 | 137.6 | 40 | 40 | 25 | 11 | 5.3 | 40 | 54 | 8-M10×32 | 4-M8 | 2-M8 |
| SFS-14W | 35M-35M | 35 | 35 | 144 | 88 | 88 | 154.6 | 45 | 45 | 30 | 12 | 5.3 | 46 | 61 | 8-M12×38 | 6-M8 | 2-M8 |
Miki Pulley is proudly looking back to a long year’s successful history in the field of machinetools. With a market share of over 80% in Japan in the field of flexible shaft couplings Miki Pulley could achieve the market leader position in this specific field. The flexible…

In the field of special machine construction there is a large variety of applications and usage of drive technology equipment. As this field is extremely wide in applications Miki Pulley is supplying to special coil winding machine producers, ship loaders…

Used in the field of robotics, handling automation or for the drive of linear actuators, the requirements to the new series of Servomotors is rising daily. For the safety application in a servomotor, especially in the case of a power shortage or emergency stop, Miki Pulley…

You need to load content from reCAPTCHA to submit the form. Please note that doing so will share data with third-party providers.
More InformationYou are currently viewing a placeholder content from Turnstile. To access the actual content, click the button below. Please note that doing so will share data with third-party providers.
More Information