Back to overview

CB Unit 122

This dual-clutch brake combination from Miki Pulley has a separate shaft system combined in a lightweight aluminum housing. The input shaft rotates constantly, the output shaft can be clocked arbitrarily.

  • From 5 to 160 Nm
  • Aluminum housing
  • Backlash free
  • High positioning accuracy
  • Long lifetime
Wordpress Table Plugin

Available voltage: 24 V DC

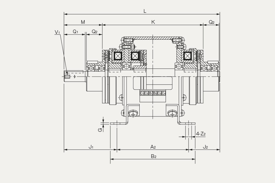
Dimensions of electromagnetic clutch and brake model 122
Dimensions of electromagnetic clutch and brake model 122

Unit [mm]

Wordpress Table Plugin

Medical

The Industry of medical technology only accepts the highest standards in safety and precision. In case of a malfunction a person’s health could seriously be affected. Devices such as computed tomography, surgical stands and patient beds often contain more technology…

Learn more
Operating room for ophthalmology with surgical microscope

Automation

In the field of automation especially around warehouse technology like order income, storing and goods shipments, the grade of Automation in industrialized countries is enormous. The current drive technology solutions are used for transportation, stocking and other…

Learn more
Automatic modern warehouse with automated guided vehicles

Mechanical engineering

In the field of special machine construction there is a large variety of applications and usage of drive technology equipment. As this field is extremely wide in applications Miki Pulley is supplying to special coil winding machine producers, ship loaders…

Learn more
Grinding of a round detail on a special machine tool

Alternative products

Dimensions Electromagnetic Clutch and brake unit 121-12G by Miki Pulley

CB Unit 121

5 - 320 Nm / 3'000 rpm

View
Electromagnetic Clutch and brake unit 125 by Miki Pulley

CB Unit 125

2.4 - 80 Nm / 3'000 rpm

View
Electromagnetic brake 111 by Miki Pulley

Brake 111

5 - 320 Nm / 8'000 rpm

View
Electromagnetic brake BSZ by Miki Pulley

Brake BSZ

2.4 - 10 Nm / 1'800 rpm

View
Electromagnetic clutch 101 by Miki Pulley

Clutch 101

5 - 320 Nm / 8'000 rpm

View
Electromagnetic Clutch CS by Miki Pulley

Clutch CS

5 - 320 Nm / 3'000 rpm

View

Direct contact

お問い合わせ

Let us advise you personally today.
We look forward to hearing from you!
Start inquiry