The BSZ model is highly easy to install due to the completely assembled and bearing integrated unit. Because of the excellent responsive it is possible to realize fast switching operations which leads to fast process times.
| Model | Rated torque (Nm) | Heat class | Max. rpm (min-1) | Moment of inertia J (kg·m2) | Total braking energy ET (J) | Pull in time ta (s) | Torque build up tp (s) | Mass (kg) |
| BSZ-05-12 | 2.4 | B | 1800 | 1.46 × 10-5 | 9 × 106 | 0.02 | 0.03 | 0.25 |
| BSZ-06-12 | 5 | B | 1800 | 5.77 × 10-5 | 29 × 106 | 0.017 | 0.033 | 0.36 |
| BSZ-08-12 | 10 | B | 1800 | 1.63 × 10-4 | 60 × 106 | 0.02 | 0.052 | 0.67 |
Available voltage: 24 V DC
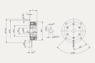
Unit [mm]
| Model | A | C1 | C2 | C3 | F | L | M | N | P | T | d1 | d2 |
| BSZ-05-12 | 50 | 65 | 58 | 28 | 15 | 28.3 | 18 | 9.8 | 8.2 | 2 | 10 | 10.2 |
| BSZ-06-12 | 63 | 80 | 72 | 37 | 20 | 25.5 | 15 | 10 | 7.3 | 2 | 12 | 12.2 |
| BSZ-08-12 | 80 | 100 | 90 | 42 | 25 | 28.5 | 20 | 8 | 8.3 | 2.6 | 15 | 15.5 |
In the field of automation especially around warehouse technology like order income, storing and goods shipments, the grade of Automation in industrialized countries is enormous. The current drive technology solutions are used for transportation, stocking and other…

The Industry of medical technology only accepts the highest standards in safety and precision. In case of a malfunction a person’s health could seriously be affected. Devices such as computed tomography, surgical stands and patient beds often contain more technology…

In the field of special machine construction there is a large variety of applications and usage of drive technology equipment. As this field is extremely wide in applications Miki Pulley is supplying to special coil winding machine producers, ship loaders…

You need to load content from reCAPTCHA to submit the form. Please note that doing so will share data with third-party providers.
More InformationYou are currently viewing a placeholder content from Turnstile. To access the actual content, click the button below. Please note that doing so will share data with third-party providers.
More Information