The BXW is the top seller and all-rounder of miniature brakes. It is available with optional holding and / or braking function. The holding variant has twice the torque for the same size. Optionally available with a hand release lever.
The BXW is the top seller and all-rounder of miniature brakes. It is available with optional holding and / or braking function. The holding variant has twice the torque for the same size. Optionally available with a hand release lever.
| Model | Rated torque (Nm) | Heat class | Max. rpm (min-1) | Moment of inertia J (kg·m2) | Max. braking energy Pbal (W) | Total braking energy ET (J) | Pull in time ta (s) | Release time tar (s) | Mass (kg) | 3D |
| BXW-01-10L | 0.12 | F | 5000 | 0.6 × 10-6 | 2.5 | 1.5 × 106 | 0.008 | 0.015 | 0.2 | |
| BXW-02-10L | 0.25 | F | 5000 | 1.9 × 10-6 | 5 | 3.0 × 106 | 0.008 | 0.015 | 0.3 | |
| BXW-03-10L | 0.5 | F | 5000 | 3.8 × 10-6 | 10 | 4.5 × 106 | 0.025 | 0.025 | 0.4 | |
| BXW-04-10L | 1 | F | 5000 | 12.0 × 10-6 | 20 | 7.0 × 106 | 0.03 | 0.03 | 0.6 | |
| BXW-05-10L | 2 | F | 5000 | 23.0 × 10-6 | 30 | 12.0 × 106 | 0.035 | 0.035 | 0.8 |
Type 10L: For braking applications, available voltages: 12, 24, 45, 90 and 180 V DC
| Model | Rated torque (Nm) | Heat class | Max. rpm (min-1) | Moment of inertia J (kg·m2) | Max. braking energy Pbal (W) | Total braking energy ET (J) | Pull in time ta (s) | Release time tar (s) | Mass (kg) | 3D |
| BXW-01-10H | 0.24 | F | 5000 | 0.6 × 10-6 | 0.5 | 0.2 × 106 | 0.01 | 0.01 | 0.2 | |
| BXW-02-10H | 0.5 | F | 5000 | 1.9 × 10-6 | 1 | 0.3 × 106 | 0.01 | 0.01 | 0.3 | |
| BXW-03-10H | 1 | F | 5000 | 3.8 × 10-6 | 2 | 0.5 × 106 | 0.035 | 0.02 | 0.4 | |
| BXW-04-10H | 2 | F | 5000 | 12.0 × 10-6 | 4 | 1.0 × 106 | 0.04 | 0.025 | 0.6 | |
| BXW-05-10H | 4 | F | 5000 | 23.0 × 10-6 | 6 | 2.0 × 106 | 0.045 | 0.03 | 0.8 |
Type 10H: For braking and holding applications, available voltages: 12, 24, 45, 90 and 180 V DC
| Model | Rated torque (Nm) | Heat class | Max. rpm (min-1) | Moment of inertia J (kg·m2) | Max. braking energy Pbal (W) | Total braking energy ET (J) | Pull in time ta (s) | Release time tar (s) | Mass (kg) | 3D |
| BXW-01-10S | 0.36 | F | 5000 | 0.6 × 10-6 | - | - | 0.025 | 0.01 | 0.2 | |
| BXW-02-10S | 0.75 | F | 5000 | 1.9 × 10-6 | - | - | 0.03 | 0.01 | 0.3 | |
| BXW-03-10S | 1.5 | F | 5000 | 3.8 × 10-6 | - | - | 0.035 | 0.02 | 0.4 | |
| BXW-04-10S | 2.6 | F | 5000 | 12.0 × 10-6 | - | - | 0.04 | 0.025 | 0.6 | |
| BXW-05-10S | 5.2 | F | 5000 | 23.0 × 10-6 | - | - | 0.045 | 0.03 | 0.8 |
Type 10S: For holding applications, available voltages: 12, 24, 45, 90 and 180 V DC
| Model | Rated torque (Nm) | Heat class | Max. rpm (min-1) | Moment of inertia J (kg·m2) | Max. braking energy Pbal (W) | Total braking energy ET (J) | Pull in time ta (s) | Release time tar (s) | Mass (kg) | 3D |
| BXW-01-10R | 0.3 | F | 6000 | 1.36 × 10-7 | 15 | 3000 | 0.035 | 0.02 | 0.1 | |
| BXW-03-10R | 1.3 | F | 6000 | 1.17 × 10-6 | 87 | 17000 | 0.05 | 0.02 | 0.3 | |
| BXW-05-10R | 2.5 | F | 6000 | 3.68 × 10-6 | 200 | 40000 | 0.06 | 0.02 | 0.5 |
Type 10R: Special series for Servomotor application, available voltage: 24 V DC
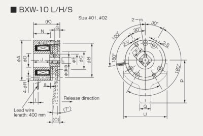
Unit [mm]
| Model | A | B | C | D | E | S | V | R | F | G | I | J | K | L | N | a | 3D |
| BXW-01-10 L/H/S | 37 | 32 | 18 | 13.5 | 12 | 6 | 3 | 3 | 10 | 4.5 | 5 | 22.5 | 31.5 | 9 | 22.5 | 0.1 | |
| BXW-02-10 L/H/S | 47 | 40 | 21 | 16 | 14.5 | 7 | 3.4 | 3.4 | 12 | 6 | 5.5 | 19.2 | 31.2 | 12 | 20 | 0.1 | |
| BXW-03-10 L/H/S | 56 | 48 | 24 | 19 | 17 | 7 | 3.4 | 3.4 | 14 | 6 | 6 | 19.9 | 31.9 | 12 | 20 | 0.15 | |
| BXW-04-10 L/H/S | 65 | 58 | 35 | 24 | 22 | 7 | 3.4 | 3.4 | 18 | 7 | 7 | 19.9 | 33.9 | 14 | 21 | 0.15 | |
| BXW-05-10 L/H/S | 75 | 66 | 36 | 28 | 26.5 | 9 | 4.5 | 4.5 | 22 | 7 | 7 | 22.1 | 36.1 | 14 | 21.5 | 0.15 |
Unit [mm]
| Model | A | r | B | C | D | E | S | V | R | F | G | H | I | J | K | L | N | a | 3D |
| BXW-01-10R | 33 | R0,5 | 26.5 | 16 | 9 | 14 | 7 | 3.4 | 32.5 | 12 | 0.2 | 4 | 19 | 26 | 30 | 4 | 22.8 | 0.1 | |
| BXW-03-10R | 48 | R1 | 42 | 26 | 14 | 23 | 8 | 3.4 | 47.5 | 19 | 0.2 | 4 | 18 | 26 | 30 | 4 | 22.6 | 0.1 | |
| BXW-05-10R | 64 | R1 | 56 | 28 | 22 | 31 | 8 | 4.5 | 63.5 | 25 | 0.2 | 4 | 16 | 25.5 | 30 | 4.5 | 21.3 | 0.1 |
Due to the steadily increasing degree of automation, especially in the industrialized countries, the demand for industrial and collaborative robots is a strongly growing industry segment. Extremely important are the high positioning accuracy as well as the safety of such…

Used in the field of robotics, handling automation or for the drive of linear actuators, the requirements to the new series of Servomotors is rising daily. For the safety application in a servomotor, especially in the case of a power shortage or emergency stop, Miki Pulley…

The Industry of medical technology only accepts the highest standards in safety and precision. In case of a malfunction a person’s health could seriously be affected. Devices such as computed tomography, surgical stands and patient beds often contain more technology…

You need to load content from reCAPTCHA to submit the form. Please note that doing so will share data with third-party providers.
More InformationYou are currently viewing a placeholder content from Turnstile. To access the actual content, click the button below. Please note that doing so will share data with third-party providers.
More Information