The BXL-N model is a further development of the BXL and BXH series. Various friction lining materials are used in order to be able to adapt to a wide variety of applications. Our all-rounder in the field of safety brakes.
| Modell | Rated torque (Nm) | Heat class | Max. rpm (min-1) | Moment of inertia J (kg·m2) | Max braking energy Ebal (J) | Total braking energy ET (J) | Pull in time ta (s) | Release time tar (s) | Mass (kg) | 3D |
| BXL-08-10N-002 | 2 | F | 3600 | 6.3 × 10-5 | 60 | 5.0 × 107 | 0.03 | 0.05 | 1.4 | |
| BXL-08-10N-004 | 4 | F | 3600 | 6.3 × 10-5 | 60 | 5.0 × 107 | 0.04 | 0.04 | 1.4 | |
| BXL-10-10N-008 | 8 | F | 3600 | 13.8 × 10-5 | 70 | 8.0 × 107 | 0.05 | 0.05 | 2.7 | |
| BXL-10-10N-015 | 15 | F | 3600 | 13.8 × 10-5 | 70 | 8.0 × 107 | 0.07 | 0.03 | 2.7 | |
| BXL-12-10N-022 | 22 | F | 3600 | 33.8 × 10-5 | 90 | 12.0 × 107 | 0.08 | 0.06 | 4.7 | |
| BXL-12-10N-030 | 30 | F | 3600 | 33.8 × 10-5 | 90 | 12.0 × 107 | 0.1 | 0.03 | 4.7 | |
| BXL-16-10N-040 | 40 | F | 1800 | 73.5 × 10-5 | 120 | 16.0 × 107 | 0.1 | 0.07 | 6.3 | |
| BXL-16-10N-060 | 60 | F | 1800 | 74.6 × 10-5 | 150 | 16.0 × 107 | 0.1 | 0.05 | 6.7 | |
| BXL-16-10N-080 | 80 | F | 1800 | 74.6 × 10-5 | 150 | 16.0 × 107 | 0.1 | 0.03 | 6.7 |
Available voltages: 24, 99 and 171 V DC
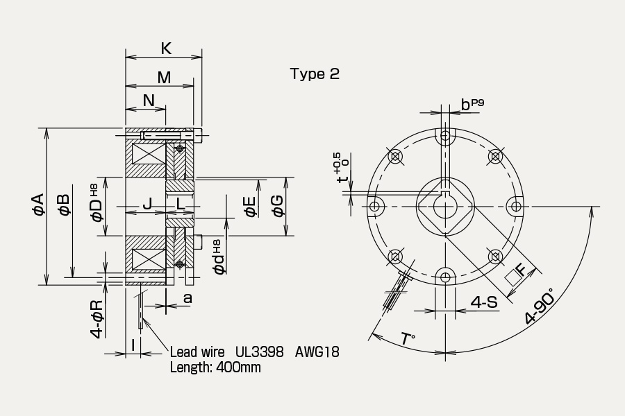
Unit [mm]
| Model | A | B | D | E | F | G | I | J | K | L | M | N | R | S | T | a | d | b | t | 3D |
| BXL-08-10N-002 | 94 | 85 | 35 | 32 | 25 | 35 | 9 | 24 | 45.7 | 17 | 40.7 | 24 | 5.5 | 12 | 30 | 0.3 | 11 | 4 | 1.5 | |
| BXL-08-10N-004 | 94 | 85 | 35 | 32 | 25 | 35 | 9 | 24 | 45.7 | 17 | 40.7 | 24 | 5.5 | 12 | 30 | 0.3 | 14 | 5 | 2 | |
| BXL-10-10N-008 | 124 | 110 | 40 | 38 | 30 | 42 | 10 | 22 | 48.7 | 25 | 42.7 | 26 | 6.5 | 12 | 30 | 0.3 | 18 | 6 | 2.5 | |
| BXL-10-10N-015 | 124 | 110 | 40 | 38 | 30 | 42 | 10 | 22 | 48.7 | 25 | 42.7 | 26 | 6.5 | 12 | 30 | 0.3 | 20 | 6 | 2.5 | |
| BXL-12-10N-022 | 150 | 130 | 49 | 45 | 35 | 50 | 18 | 25 | 57.1 | 30 | 51.1 | 29 | 6.5 | 14 | 30 | 0.3 | 24 | 8 | 3 | |
| BXL-12-10N-030 | 150 | 130 | 49 | 45 | 35 | 50 | 18 | 25 | 57.1 | 30 | 51.1 | 29 | 6.5 | 14 | 30 | 0.3 | 24 | 8 | 3 | |
| BXL-16-10N-040 | 165 | 150 | 62 | 55 | 45 | 62 | 18 | 24 | 63.1 | 35 | 55.1 | 28 | 9 | 15 | 30 | 0.3 | 28 | 8 | 3 | |
| BXL-16-10N-060 | 165 | 150 | 64 | 61 | 50 | 64 | 20 | 29 | 68.1 | 35 | 60.1 | 33 | 9 | 15 | 15 | 0.3 | 37 | 10 | 3.5 | |
| BXL-16-10N-080 | 165 | 150 | 64 | 61 | 50 | 64 | 20 | 29 | 68.1 | 35 | 60.1 | 33 | 9 | 15 | 15 | 0.3 | 37 | 10 | 3.5 |
Due to the steadily increasing degree of automation, especially in the industrialized countries, the demand for industrial and collaborative robots is a strongly growing industry segment. Extremely important are the high positioning accuracy as well as the safety of such…

In the field of automation especially around warehouse technology like order income, storing and goods shipments, the grade of Automation in industrialized countries is enormous. The current drive technology solutions are used for transportation, stocking and other…

The Industry of medical technology only accepts the highest standards in safety and precision. In case of a malfunction a person’s health could seriously be affected. Devices such as computed tomography, surgical stands and patient beds often contain more technology…

You need to load content from reCAPTCHA to submit the form. Please note that doing so will share data with third-party providers.
More InformationYou are currently viewing a placeholder content from Turnstile. To access the actual content, click the button below. Please note that doing so will share data with third-party providers.
More Information