Back to overview

Pulley L

The Speed ​​Changer Model L is widely used due to its easy handling. By adjusting the lever, the transmission ratio can be easily adjusted. With the large adjustment range of 1 : 2 to 1 : 6 large speed differences can be realized.

  • Transmission power 0.2 to 2.2 kW
  • Ratio from 1 : 2 to 1 : 6
  • Belts used A / B / C
  • Pulley diameter from 103 to 260 mm
  • RoHS compliant
Wordpress Table Plugin
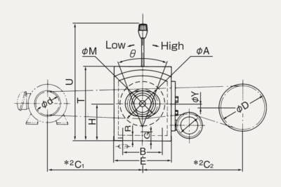
Dimensions Speed changer with pulley model L
Dimensions Speed changer with pulley model L

Unit [mm]

Wordpress Table Plugin

Mechanical engineering

In the field of special machine construction there is a large variety of applications and usage of drive technology equipment. As this field is extremely wide in applications Miki Pulley is supplying to special coil winding machine producers, ship loaders…

Learn more
Grinding of a round detail on a special machine tool

Machine tool

Miki Pulley is proudly looking back to a long year’s successful history in the field of machinetools. With a market share of over 80% in Japan in the field of flexible shaft couplings Miki Pulley could achieve the market leader position in this specific field. The flexible…

Learn more
Milling machine working on steel detail with lots of sparks

Automation

In the field of automation especially around warehouse technology like order income, storing and goods shipments, the grade of Automation in industrialized countries is enormous. The current drive technology solutions are used for transportation, stocking and other…

Learn more
Automatic modern warehouse with automated guided vehicles

Alternative products

Stand-alone Belt-type Stepless Speed Changer model AP by Miki Pulley

Pulley AP

0.2 - 1.5 kW

View
Stand-alone Belt-type Stepless Speed Changer model T by Miki Pulley

Pulley T

0.2 - 2.2 kW

View
Stand-alone Belt-type Stepless Speed Changer P by Miki Pulley

Pulley P

0.2 - 3.7 kW

View
Speed changer with pulley model PK by Miki Pulley

Pulley PK

0.4 - 18.5 kW

View
Stand-alone Belt-type Stepless Speed Changer model U by Miki Pulley

Pulley U

0.4 - 2.2 kW

View
Stand-alone Belt-type Stepless Speed Changer model PF by Miki Pulley

Pulley PF

0.4 - 3.7 kW

View

Direct contact

お問い合わせ

Let us advise you personally today.
We look forward to hearing from you!
Start inquiry