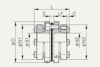
The Servoflex SFM series has been specially developed for high speeds and precision. Due to its special design of the six-bolted spring packs, it achieves high torsional stiffness combined with offset possibility in axial and angular direction.
- Max. 24‘000 rpm
- High concentric clamp hubs
- Silent at high speed
- High torsional stiffness
- 100 to 1‘000 Nm












