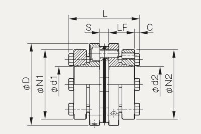
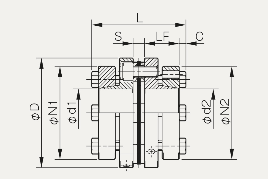
Die Servoflex SFM Serie ist speziell für hohe Drehzahlen und Präzision entwickelt worden. Durch Ihren speziellen Aufbau der sechsfach verschraubten Federpakete erreicht sie hohe Torsionssteifigkeit kombiniert mit möglichen Verlagerungen in axialer sowie angularer Richtung.












