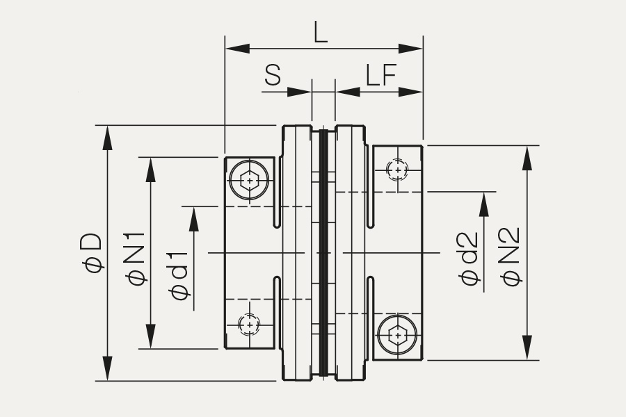
Das neue, im Jahr 2018 überarbeitete SFF Modell in der Single Flex Ausführung besticht durch einen kompakten Bauraum bei hoher Torsionssteifigkeit. Durch das Lamellenpaket können Winkel sowie Axialversätze von Wellen ausgeglichen werden. Mit dem eigens entwickelten Klemmprinzip wird eine hochkonzentrische Klemmung erreicht.












