Das neue, im Jahr 2018 überarbeitete SFF Modell in der Single Flex Ausführung besticht durch einen kompakten Bauraum bei hoher Torsionssteifigkeit. Durch das Lamellenpaket können Winkel sowie Axialversätze von Wellen ausgeglichen werden. Mit dem neuen integrierten Spannsatzsystem können grössere Bohrungskombinationen bei hoher Konzentrizität erreicht werden.
| Modell | Nenndrehmoment (Nm) | Versatz Parallel (mm) | Versatz Winkel (°) | Versatz Axial (mm) | Max. rpm (min-1) | Torsionssteifigkeit (Nm/rad) | Axialsteifigkeit (N/mm) | Trägheitsmoment (kg·m2) | Masse (kg) | 3D |
| SFF-070SS-100N | 100 | 0.02 | 1 | ± 0.5 | 18000 | 240000 | 484 | 0.66 × 10-3 | 0.92 | |
| SFF-080SS-150N | 150 | 0.02 | 1 | ± 0.5 | 17000 | 120000 | 96 | 1.21 × 10-3 | 1.03 | |
| SFF-080SS-200N | 200 | 0.02 | 1 | ± 0.5 | 17000 | 310000 | 546 | 1.11 × 10-3 | 1.26 | |
| SFF-090SS-300N | 300 | 0.02 | 1 | ± 0.6 | 15000 | 520000 | 321 | 1.75 × 10-3 | 1.48 | |
| SFF-100SS-450N | 450 | 0.02 | 1 | ± 0.65 | 13000 | 740000 | 540 | 2.56 × 10-3 | 1.87 | |
| SFF-120SS-600N | 600 | 0.02 | 1 | ± 0.8 | 11000 | 970000 | 360 | 5.33 × 10-3 | 2.5 | |
| SFF-140SS-800N | 800 | 0.02 | 1 | ± 1.0 | 10000 | 1400000 | 360 | 10.28 × 10-3 | 4.66 | |
| SFF-140SS-1000N | 1000 | 0.02 | 1 | ± 1.0 | 10000 | 1400000 | 360 | 14.70 × 10-3 | 5.01 |
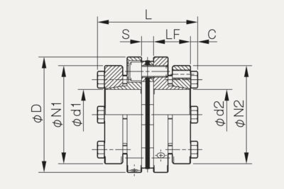
Einheit [mm]
| Modell | d1 Min. | d1 Max. | d2 Min. | d2 Max. | D | L | LF | S | C | K | M1 | M1 Nm | 3D |
| SFF-070SS-100N | 18 | 35 | 18 | 35 | 68 | 62.9 | 23.5 | 5.9 | 5 | 38 | 6-M6 | 10 | |
| SFF-080SS-150N | 22 | 35 | 22 | 38 | 78 | 69.3 | 25.5 | 8.3 | 5 | 37 | 4-M6 | 10 | |
| SFF-080SS-200N | 22 | 38 | 22 | 38 | 78 | 68.7 | 25.5 | 7.7 | 5 | 42 | 6-M6 | 10 | |
| SFF-090SS-300N | 28 | 48 | 28 | 48 | 88 | 69.3 | 25.5 | 8.3 | 5 | 50 | 6-M6 | 10 | |
| SFF-100SS-450N | 32 | 50 | 32 | 50 | 98 | 75.2 | 27.5 | 10.2 | 5 | 56 | 6-M6 | 10 | |
| SFF-120SS-600N | 35 | 65 | 35 | 70 | 118 | 75.2 | 27.5 | 10.2 | 5 | 68 | 6-M6 | 10 | |
| SFF-140SS-800N | 35 | 45 | 35 | 80 | 138 | 94.6 | 36.5 | 10.6 | 5.5 | 78 | 6-M8 | 24 | |
| SFF-140SS-1000N | 48 | 75 | 48 | 80 | 138 | 94.6 | 36.5 | 10.6 | 5.5 | 78 | 6-M8 | 24 |
Ob im Bereich der Robotik, der Handling Automation oder bei Lineareinheiten, die Anforderungen an die aktuellen Servoantriebe steigen tagtäglich. Für die Sicherheitsfunktion im Stromausfall oder für die Notstop Funktion empfehlen wir unsere Sicherheitsbremsen…

Im Bereich des Sondermaschinenbaus gibt es eine grosse Varianz an Anwendungen und Applikationen für die Antriebstechnik. So werden hier Hersteller von Spezial Drahtwickelmaschinen über hochkomplexe und vollautomatisierte Montageanlagen…

Im Bereich der Werkzeugmaschinen blickt Miki Pulley mit Stolz auf eine lange und erfolgreiche Historie zurück. Mit einem Markanteil von über 80 % im Bereich der wellenflexiblen Kupplungen im japanischen Markt hat man sich als Marktführer in diesem Bereich etabliert…

Sie müssen den Inhalt von reCAPTCHA laden, um das Formular abzuschicken. Bitte beachten Sie, dass dabei Daten mit Drittanbietern ausgetauscht werden.
Mehr InformationenSie sehen gerade einen Platzhalterinhalt von Turnstile. Um auf den eigentlichen Inhalt zuzugreifen, klicken Sie auf die Schaltfläche unten. Bitte beachten Sie, dass dabei Daten an Drittanbieter weitergegeben werden.
Mehr Informationen