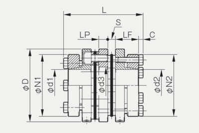
Das neue, im Jahr 2018 überarbeitete SFF Modell in der Double Flex Ausführung besticht durch einen kompakten Bauraum bei hoher Torsionssteifigkeit. Durch das doppelte Lamellenpaket können Winkel, Parallel sowie Axialversätze von Wellen ausgeglichen werden. Mit dem neuen integrierten Spannsatzsystem können grössere Bohrungskombinationen bei hoher Konzentrizität erreicht werden.
- Maximaldrehzahl 14‘000 rpm
- Hochkonzentrische Spannsatznaben
- Laufruhig bei hohen Drehzahlen
- Drehsteif mit Ausgleichsfunktion
- 100 bis 1‘000 Nm












