Die stärkste Kupplung in der Servoflex Familie mit bis zu 8000Nm übertragbarem Drehmoment. Hohe Torsionssteifigkeit gewährleistet die exakte Drehung der Welle und somit eine präzise Steuerung. Alle Typen sind mit den verschiedenen Befestigungsmöglichkeiten verfügbar.
| Modell | Nenndrehmoment (Nm) | Versatz Parallel (mm) | Versatz Winkel (°) | Versatz Axial (mm) | Max. rpm (min-1) | Torsionssteifigkeit (Nm/rad) | Axialsteifigkeit (N/mm) | Trägheitsmoment (kg·m2) | Masse (kg) | 3D |
| SFH-150G | 1000 | 1.4 | 2 | ± 0.8 | 5900 | 750000 | 122 | 21.87 × 10-3 | 8.72 | |
| SFH-170G | 1300 | 1.6 | 2 | ± 1.0 | 5100 | 1420000 | 112 | 51.07 × 10-3 | 13.94 | |
| SFH-190G | 2000 | 2 | 2 | ± 1.0 | 4700 | 1700000 | 122 | 81.58 × 10-3 | 19.51 | |
| SFH-210G | 4000 | 2.1 | 2 | ± 1.1 | 4300 | 2340000 | 254 | 125.50 × 10-3 | 24.26 | |
| SFH-220G | 5000 | 2.3 | 2 | ± 1.2 | 4000 | 2970000 | 224 | 176.91 × 10-3 | 30.27 | |
| SFH-260G | 8000 | 2.9 | 2 | ± 1.4 | 3400 | 5390000 | 306 | 433.47 × 10-3 | 53.11 |
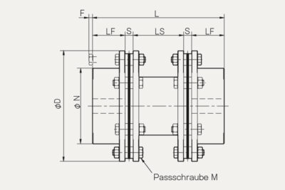
Einheit [mm]
| Modell | d1/d2 Min. | d1/d2 Max. | D | N | L | LF | LS | S | F | K | M | 3D |
| SFH-150G | 22 | 70 | 152 | 104 | 182 | 45 | 70 | 11 | 5 | 94 | 12-M8 × 36 | |
| SFH-170G | 28 | 80 | 178 | 118 | 218 | 55 | 80 | 14 | 6 | 108 | 12-M10 × 45 | |
| SFH-190G | 32 | 85 | 190 | 126 | 260 | 65 | 100 | 15 | 10 | 116 | 12-M12 × 54 | |
| SFH-210G | 38 | 90 | 210 | 130 | 290 | 75 | 110 | 15 | 8 | 124 | 12-M16 × 60 | |
| SFH-220G | 48 | 100 | 225 | 144 | 335 | 90 | 115 | 20 | -2 | 132 | 12-M16 × 60 | |
| SFH-260G | 55 | 115 | 262 | 166 | 391 | 100 | 145 | 23 | 11 | 150 | 12-M20 × 80 |
Einheit [mm]
| Modell | D | L | d1/d2 | N1, N2 | LF | LS | S | C | K | M | M1 | M2 |
| SFH-150G | 152 | 238 | 38, 40, 42, 45, 48, 50 | 108 | 65 | 70 | 11 | 8 | 94 | 12-M8×36 | 6-M8×60 | 3-M8 |
| SFH-150G | 152 | 238 | 55, 56, 60, 65, 70 | 128 | 65 | 70 | 11 | 8 | 94 | 12-M8×36 | 6-M8×60 | 3-M8 |
| SFH-170G | 178 | 254 | 38, 40, 42, 45, 48, 50 | 108 | 65 | 80 | 14 | 8 | 108 | 12-M10×45 | 6-M8×60 | 3-M8 |
| SFH-170G | 178 | 254 | 55, 56, 60, 65, 70 | 128 | 65 | 80 | 14 | 8 | 108 | 12-M10×45 | 6-M8×60 | 3-M8 |
| SFH-170G | 178 | 254 | 75, 80 | 148 | 65 | 80 | 14 | 8 | 108 | 12-M10×45 | 6-M8×60 | 3-M8 |
| SFH-190G | 190 | 290 | 38, 40, 42, 45, 48, 50 | 108 | 70 | 100 | 15 | 10 | 116 | 12-M12×54 | 6-M10×65 | 3-M10 |
| SFH-190G | 190 | 290 | 55, 56, 60, 65, 70 | 128 | 70 | 100 | 15 | 10 | 116 | 12-M12×54 | 6-M10×65 | 3-M10 |
| SFH-190G | 190 | 290 | 75, 80, 85 | 148 | 70 | 100 | 15 | 10 | 116 | 12-M12×54 | 6-M10×65 | 3-M10 |
| SFH-210G | 210 | 306 | 38, 40, 42, 45, 48, 50 | 108 | 73 | 110 | 15 | 10 | 124 | 12-M16×60 | 6-M10×65 | 3-M10 |
| SFH-210G | 210 | 306 | 55, 56, 60, 65, 70 | 128 | 73 | 110 | 15 | 10 | 124 | 12-M16×60 | 6-M10×65 | 3-M10 |
| SFH-210G | 210 | 306 | 75, 80, 85, 90 | 148 | 73 | 110 | 15 | 10 | 124 | 12-M16×60 | 6-M10×65 | 3-M10 |
Im Bereich des Sondermaschinenbaus gibt es eine grosse Varianz an Anwendungen und Applikationen für die Antriebstechnik. So werden hier Hersteller von Spezial Drahtwickelmaschinen über hochkomplexe und vollautomatisierte Montageanlagen…

Ob im Bereich der Robotik, der Handling Automation oder bei Lineareinheiten, die Anforderungen an die aktuellen Servoantriebe steigen tagtäglich. Für die Sicherheitsfunktion im Stromausfall oder für die Notstop Funktion empfehlen wir unsere Sicherheitsbremsen…

Im Bereich der Werkzeugmaschinen blickt Miki Pulley mit Stolz auf eine lange und erfolgreiche Historie zurück. Mit einem Markanteil von über 80 % im Bereich der wellenflexiblen Kupplungen im japanischen Markt hat man sich als Marktführer in diesem Bereich etabliert…

Sie müssen den Inhalt von reCAPTCHA laden, um das Formular abzuschicken. Bitte beachten Sie, dass dabei Daten mit Drittanbietern ausgetauscht werden.
Mehr InformationenSie sehen gerade einen Platzhalterinhalt von Turnstile. Um auf den eigentlichen Inhalt zuzugreifen, klicken Sie auf die Schaltfläche unten. Bitte beachten Sie, dass dabei Daten an Drittanbieter weitergegeben werden.
Mehr Informationen