Das neue, im Jahr 2018 überarbeitete SFF Modell in der Double Flex Ausführung besticht durch einen kompakten Bauraum bei hoher Torsionssteifigkeit. Durch das doppelte Lamellenpaket können Winkel, Parallel sowie Axialversätze von Wellen ausgeglichen werden. Mit dem eigens entwickelten Klemmprinzip wird eine hochkonzentrische Klemmung erreicht.
| Modell | Nenndrehmoment (Nm) | Versatz Parallel (mm) | Versatz Winkel (°) | Versatz Axial (mm) | Max. rpm (min-1) | Torsionssteifigkeit (Nm/rad) | Axialsteifigkeit (N/mm) | Trägheitsmoment (kg·m2) | Masse (kg) | 3D |
| SFF-040DS-8N | 8 | 0.1 | 2 | ± 0.4 | 14000 | 7500 | 87 | 0.04 × 10-3 | 0.22 | |
| SFF-040DS-12N | 12 | 0.1 | 2 | ± 0.4 | 14000 | 7500 | 87 | 0.04 × 10-3 | 0.22 | |
| SFF-050DS-25N | 25 | 0.2 | 2 | ± 0.6 | 14000 | 16000 | 72.5 | 0.13 × 10-3 | 0.46 | |
| SFF-060DS-60N | 60 | 0.2 | 2 | ± 0.6 | 14000 | 52000 | 199.5 | 0.28 × 10-3 | 0.64 | |
| SFF-060DS-80N | 80 | 0.2 | 2 | ± 0.6 | 14000 | 52000 | 199.5 | 0.29 × 10-3 | 0.61 | |
| SFF-070DS-90N | 90 | 0.25 | 2 | ± 1.0 | 14000 | 120000 | 242 | 0.53 × 10-3 | 0.9 | |
| SFF-070DS-100N | 100 | 0.25 | 2 | ± 1.0 | 14000 | 120000 | 242 | 0.55 × 10-3 | 0.85 | |
| SFF-080DS-150N | 150 | 0.32 | 2 | ± 1.0 | 13000 | 60000 | 48 | 1.10 × 10-3 | 1.37 | |
| SFF-080DS-200N | 200 | 0.31 | 2 | ± 1.0 | 13000 | 155000 | 273 | 1.50 × 10-3 | 1.72 | |
| SFF-090DS-250N | 250 | 0.32 | 2 | ± 1.2 | 12000 | 260000 | 160.5 | 2.03 × 10-3 | 2.02 | |
| SFF-090DS-300N | 300 | 0.32 | 2 | ± 1.2 | 12000 | 260000 | 160.5 | 2.10 × 10-3 | 1.92 | |
| SFF-100DS-450N | 450 | 0.38 | 2 | ± 1.3 | 10000 | 370000 | 270 | 4.18 × 10-3 | 3.12 | |
| SFF-120DS-600N | 600 | 0.38 | 2 | ± 1.6 | 9000 | 485000 | 180 | 8.87 × 10-3 | 4.6 |
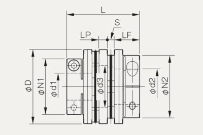
Einheit [mm]
| Modell | d1 Min. | d1 Max. | d2 Min. | d2 Max. | D | L | LF | LP | S | d3 | K | M1/M2 | M1/M2 Nm | 3D |
| SFF-040DS-8N | 8 | 9.25 | 8 | 16 | 38 | 48.8 | 17.5 | 6 | 3.9 | 17 | 17 | 2-M4 | 3.4 | |
| SFF-040DS-12N | 10 | 16 | 10 | 16 | 38 | 48.8 | 17.5 | 6 | 3.9 | 17 | 17 | 2-M4 | 3.4 | |
| SFF-050DS-25N | 10 | 19 | 10 | 19 | 48 | 60.8 | 21.5 | 7 | 5.4 | 20 | 20 | 2-M5 | 7 | |
| SFF-060DS-60N | 12 | 19 | 12 | 30 | 58 | 65.8 | 24 | 7 | 5.4 | 31 | 32 | 2-M6/2-M5 | 14 oder 7 | |
| SFF-060DS-80N | 20 | 30 | 20 | 30 | 58 | 65.8 | 24 | 7 | 5.4 | 31 | 32 | 2-M6/2-M5 | 14 oder 7 | |
| SFF-070DS-90N | 18 | 19 | 18 | 35 | 68 | 69.8 | 25 | 8 | 5.9 | 37 | 38 | 2-M6 | 14 | |
| SFF-070DS-100N | 20 | 35 | 20 | 35 | 68 | 69.8 | 25 | 8 | 5.9 | 37 | 38 | 2-M6 | 14 | |
| SFF-080DS-150N | 22 | 35 | 22 | 35 | 78 | 86.6 | 30 | 10 | 8.3 | 40 | 37 | 2-M8/2-M6 | 34 oder 14 | |
| SFF-080DS-200N | 22 | 38 | 22 | 38 | 78 | 85.4 | 30 | 10 | 7.7 | 40 | 42 | 2-M8 | 34 | |
| SFF-090DS-250N | 25 | 28 | 25 | 42 | 88 | 86.6 | 30 | 10 | 8.3 | 50 | 50 | 2-M8 | 34 | |
| SFF-090DS-300N | 30 | 42 | 30 | 42 | 88 | 86.6 | 30 | 10 | 8.3 | 50 | 50 | 2-M8 | 34 | |
| SFF-100DS-450N | 32 | 48 | 32 | 48 | 98 | 112.4 | 40 | 12 | 10.2 | 52 | 56 | 2-M10 | 68 | |
| SFF-120DS-600N | 32 | 55 | 32 | 55 | 118 | 112.4 | 40 | 12 | 10.2 | 72 | 68 | 2-M10 | 68 |
Im Bereich der Werkzeugmaschinen blickt Miki Pulley mit Stolz auf eine lange und erfolgreiche Historie zurück. Mit einem Markanteil von über 80 % im Bereich der wellenflexiblen Kupplungen im japanischen Markt hat man sich als Marktführer in diesem Bereich etabliert…

Im Bereich des Sondermaschinenbaus gibt es eine grosse Varianz an Anwendungen und Applikationen für die Antriebstechnik. So werden hier Hersteller von Spezial Drahtwickelmaschinen über hochkomplexe und vollautomatisierte Montageanlagen…

Ob im Bereich der Robotik, der Handling Automation oder bei Lineareinheiten, die Anforderungen an die aktuellen Servoantriebe steigen tagtäglich. Für die Sicherheitsfunktion im Stromausfall oder für die Notstop Funktion empfehlen wir unsere Sicherheitsbremsen…

Sie müssen den Inhalt von reCAPTCHA laden, um das Formular abzuschicken. Bitte beachten Sie, dass dabei Daten mit Drittanbietern ausgetauscht werden.
Mehr InformationenSie sehen gerade einen Platzhalterinhalt von Turnstile. Um auf den eigentlichen Inhalt zuzugreifen, klicken Sie auf die Schaltfläche unten. Bitte beachten Sie, dass dabei Daten an Drittanbieter weitergegeben werden.
Mehr Informationen