Die Baumannflex LM ist eine Miniflex-Kupplung welche allseitig beweglich ist. Durch ihren dreilagigen Federkörper aus Stahldraht und Naben aus Aluminium wird die Kraft zwischen zwei Wellen übertragen. Sie kann in einem Temperaturbereich von -40 °C bis zu +120 °C eingesetzt werden und überzeugt mit ihren großen Ausgleichsfunktionen.
| Modell | Nenndrehmoment (Nm) | Versatz Parallel (mm) | Versatz Winkel (°) | Versatz Axial (mm) | Max. rpm (min-1) | Torsionssteifigkeit (Nm/rad) | Trägheitsmoment (kg·m2) | Masse (kg) |
| LM-6 | 0.5 | 1 | 8 | ± 1 | 6000 | 0.77 | 5.10 × 10-7 | 0.02 |
| LM-6-1 | 0.5 | 3 | 14 | ± 1.5 | 6000 | 0.40 | 7.65 × 10-6 | 0.03 |
| LM-9 | 1.0 | 2.5 | 8 | ± 1 | 6000 | 1.55 | 2.55 × 10-5 | 0.05 |
| LM-9-1 | 1.0 | 4 | 14 | ± 1.5 | 6000 | 0.80 | 3.06 × 10-6 | 0.06 |
| LM-14 | 2.0 | 3 | 8 | ± 1 | 6000 | 3.10 | 7.65 × 10-5 | 0.09 |
| LM-14-1 | 2.0 | 4.5 | 14 | ± 1.5 | 6000 | 1.60 | 9.44 × 10-6 | 0.11 |
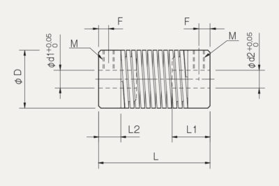
Einheit [mm]
| Modell | d1/d2 Min. | d1/d2 Max. | D | L | L1 | L2 | F | K |
| LM-6 | 5 | 6 | 14 | 35 | 12 | 6.5 | 3.5 | M |
| LM-6-1 | 5 | 6 | 14 | 50 | 12 | 6.5 | 3.5 | M4 |
| LM-9 | 6 | 9 | 20 | 40 | 14 | 7.5 | 4 | M4 |
| LM-9-1 | 6 | 9 | 20 | 60 | 14 | 7.5 | 4 | M4 |
| LM-14 | 9 | 14 | 26 | 50 | 17 | 10 | 5 | M5 |
| LM-14-1 | 9 | 14 | 26 | 70 | 17 | 10 | 5 | M5 |
Im Bereich der Werkzeugmaschinen blickt Miki Pulley mit Stolz auf eine lange und erfolgreiche Historie zurück. Mit einem Markanteil von über 80 % im Bereich der wellenflexiblen Kupplungen im japanischen Markt hat man sich als Marktführer in diesem Bereich etabliert…

Im Bereich des Sondermaschinenbaus gibt es eine grosse Varianz an Anwendungen und Applikationen für die Antriebstechnik. So werden hier Hersteller von Spezial Drahtwickelmaschinen über hochkomplexe und vollautomatisierte Montageanlagen…

Ob im Bereich der Robotik, der Handling Automation oder bei Lineareinheiten, die Anforderungen an die aktuellen Servoantriebe steigen tagtäglich. Für die Sicherheitsfunktion im Stromausfall oder für die Notstop Funktion empfehlen wir unsere Sicherheitsbremsen…

Sie müssen den Inhalt von reCAPTCHA laden, um das Formular abzuschicken. Bitte beachten Sie, dass dabei Daten mit Drittanbietern ausgetauscht werden.
Mehr InformationenSie sehen gerade einen Platzhalterinhalt von Turnstile. Um auf den eigentlichen Inhalt zuzugreifen, klicken Sie auf die Schaltfläche unten. Bitte beachten Sie, dass dabei Daten an Drittanbieter weitergegeben werden.
Mehr Informationen