Der Torque Tender 01 ist eine einfache Ausführung eines Sicherheitssystems, welches die Kraftübertragung zwischen zwei Wellen begrenzt. Durch den speziellen Aufbau können sogar leichte Versätze von Wellen ausgeglichen werden.
Der Torque Tender 01 ist eine einfache Ausführung eines Sicherheitssystems, welches die Kraftübertragung zwischen zwei Wellen begrenzt. Durch den speziellen Aufbau können sogar leichte Versätze von Wellen ausgeglichen werden.
| Modell | Drehmoment min. (Nm) | Drehmoment max. (Nm) | Versatz Parallell (mm) | Versatz Winkel (°) | Max. rpm (min-1) | Trägheitsmoment (kg·m2) | Masse (kg) |
| TT-1X-01 | 0.2 | 4 | 0,2 | 0.5 | 1800 | 0.06 × 10-3 | 0.3 |
| TT-2-01 | 1 | 10 | 0,2 | 0.5 | 1800 | 0.26 × 10-3 | 0.7 |
| TT-2X-01 | 2 | 20 | 0,2 | 0.5 | 1800 | 0.52 × 10-3 | 1 |
| TT-3-01 | 5 | 40 | 0,2 | 0.5 | 1800 | 1.23 × 10-3 | 1.5 |
| TT-3X-01 | 10 | 80 | 0,2 | 0.5 | 1800 | 1.94 × 10-3 | 2.7 |
| TT-4X-01 | 20 | 200 | 0,2 | 0.5 | 500 | 14.8 × 10-3 | 6.3 |
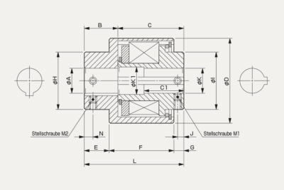
Einheit [mm]
| Modell | A Min./Max. | K Min./Max. | K1 | B | C | C1 | D | E | F | G | H | I | L |
| TT-1X-01 | 10/14 | 10/12 | 12.5 | 20 | 30 | 23 | 42 | 15 | 30 | 5 | 25 | 22 | 50 |
| TT-2-01 | 11/20 | 11/16 | 16.5 | 25 | 41 | 32.5 | 55 | 20 | 35 | 11 | 35 | 32 | 66 |
| TT-2X-01 | 14/24 | 14/19 | 20.5 | 31 | 45 | 34 | 65 | 25 | 40 | 11 | 40 | 38 | 76 |
| TT-3-01 | 18/30 | 18/25 | 25.5 | 38 | 53 | 40 | 75 | 30 | 50 | 11 | 45 | 45 | 91 |
| TT-3X-01 | 18/30 | 18/25 | 25.5 | 36 | 85 | 41 | 75 | 30 | 80 | 11 | 45 | 45 | 121 |
| TT-4X-01 | 19/50 | 19/45 | - | 46 | 95 | - | 120 | 35 | 90 | 16 | 80 | 80 | 141 |
Durch den stetig steigenden Grad an Automatisation, speziell in den Industrieländern, ist der Bedarf an Industrie- sowie Kollaborativ Robotern ein stark wachsendes Industriesegment. Ausserordentlich wichtig sind die hohe Positioniergenauigkeit ebenso…

Im Bereich des Sondermaschinenbaus gibt es eine grosse Varianz an Anwendungen und Applikationen für die Antriebstechnik. So werden hier Hersteller von Spezial Drahtwickelmaschinen über hochkomplexe und vollautomatisierte…

Im Bereich der Medizintechnik ist nur höchste Sicherheit und Präzision akzeptabel da bei einer Fehlfunktion die Gesundheit eines Menschen schwer darunter leiden könnte. In Geräten wie dem Computertomographen, Operationsstativen und Patientenbetten…

Sie müssen den Inhalt von reCAPTCHA laden, um das Formular abzuschicken. Bitte beachten Sie, dass dabei Daten mit Drittanbietern ausgetauscht werden.
Mehr InformationenSie sehen gerade einen Platzhalterinhalt von Turnstile. Um auf den eigentlichen Inhalt zuzugreifen, klicken Sie auf die Schaltfläche unten. Bitte beachten Sie, dass dabei Daten an Drittanbieter weitergegeben werden.
Mehr Informationen