The Torque Tender is a simple version of a safety system that limits the power transmission between two shafts or a shaft and a pulley. Due to the special construction even, slight offsets of shafts can be compensated.
| Model | Torque min. (Nm) | Torque max. (Nm) | Max. rpm (min-1) | Inertia (kg·m2) | Mass (kg) |
| TT-1X-03 | 0.2 | 4 | 1800 | 0.09 × 10-3 | 0.4 |
| TT-2-03 | 1 | 10 | 1800 | 0.31 × 10-3 | 0.8 |
| TT-2X-03 | 2 | 20 | 1800 | 0.66 × 10-3 | 1.1 |
| TT-3-03 | 5 | 40 | 1800 | 1.59 × 10-3 | 1.7 |
| TT-3X-03 | 10 | 80 | 1800 | 2.43 × 10-3 | 3 |
| TT-4X-03 | 20 | 200 | 500 | 15.8 × 10-3 | 6.5 |
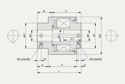
Unit [mm]
| Model | K Min./Max. | K1 | B | D | E | F | H | N | L |
| TT-1X-03 | 10/12 | 12.5 | 34 | 42 | 20 | 35 | 30 | 25 | 55 |
| TT-2-03 | 11/16 | 16.5 | 38 | 55 | 25 | 40 | 40 | 30 | 65 |
| TT-2X-03 | 14/19 | 20.5 | 40 | 65 | 25 | 45 | 45 | 31 | 70 |
| TT-3-03 | 18/25 | 25.5 | 52.5 | 75 | 35 | 55 | 60 | 45 | 90 |
| TT-3X-03 | 18/25 | 25.5 | 75 | 75 | 35 | 90 | 60 | 45 | 125 |
| TT-4X-03 | 19/45 | 46 | 100 | 120 | 50 | 90 | 85 | 57 | 140 |
Due to the steadily increasing degree of automation, especially in the industrialized countries, the demand for industrial and collaborative robots is a strongly growing industry segment. Extremely important are the high positioning accuracy as well as the safety of such…

In the field of automation especially around warehouse technology like order income, storing and goods shipments, the grade of Automation in industrialized countries is enormous. The current drive technology solutions are used for transportation, stocking and other…

The Industry of medical technology only accepts the highest standards in safety and precision. In case of a malfunction a person’s health could seriously be affected. Devices such as computed tomography, surgical stands and patient beds often contain more technology…

You need to load content from reCAPTCHA to submit the form. Please note that doing so will share data with third-party providers.
More InformationYou are currently viewing a placeholder content from Turnstile. To access the actual content, click the button below. Please note that doing so will share data with third-party providers.
More Information