Die Servoflex SFR Wellenkupplung mit hoher Dämpfungsleistung, ist für den Einsatz im Hochgeschwindigkeits- und Präzisionsbereich von Servomotoren und Steppermotoren konzipiert worden. Spielfrei und Drehmomentstark. Durch die Verwendung von HNBR für das Element, werden Vibrationen im Vergleich zu flexiblen Kupplungen mit Metallelementen schnell gedämpft.
| Modell | Typ | Nenndrehmoment (Nm) | Versatz Parallel (mm) | Versatz Winkel (°) | Versatz Axial (mm) | Max. rpm (min-1) | Torsionssteifigkeit (Nm/rad) | Axialsteifigkeit (N/mm) | Trägheitsmoment (kg·m2) | Masse (kg) |
| SFR-005SA1 | C | 0.6 | 0.15 | 1.5 | ±0,2 | 10000 | 30 | 241 | 0,32×10-6 | 0.009 |
| SFR-010SA1 | C | 1 | 0.15 | 1.5 | ±0,2 | 10000 | 47 | 245 | 0,73×10-6 | 0.014 |
| SFR-020SA1 | C | 2 | 0.15 | 1.5 | ±0,2 | 10000 | 178 | 642 | 3,11×10-6 | 0.032 |
| SFR-025SA1 | C | 4 | 0.2 | 1.5 | ±0,3 | 10000 | 254 | 430 | 4,88×10-6 | 0.038 |
| SFR-030SA1 | A | 5 | 0.02 | 1.5 | ±0.3 | 10000 | 396 | 413 | 6.62×10-6 | 0.048 |
| B | 8.65×10-6 | 0.054 | ||||||||
| C | 10.76×10-6 | 0.063 | ||||||||
| SFR-035SA1 | C | 10 | 0.02 | 1.5 | ±0.3 | 10000 | 607 | 416 | 26.98×10-6 | 0.105 |
| SFR-040SA1 | A | 12 | 0.02 | 1.5 | ±0.3 | 10000 | 1128 | 605 | 25.37×10-6 | 0.103 |
| B | 31.96×10-6 | 0.114 | ||||||||
| C | 38.64×10-6 | 0.128 | ||||||||
| SFR-050SA1 | A | 25 | 0.02 | 1.5 | ±0.3 | 10000 | 2775 | 658 | 85.36×10-6 | 0.216 |
| B | 105.75×10-6 | 0.234 | ||||||||
| C | 128.36×10-6 | 0.263 |
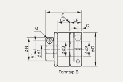
Einheit [mm]
| Modell | Typ | d1 Min. | d1 Max. | d2 Min. | d2 Max. | D | N | L | LF | LP | S | A1 | A2 | C | d3 | M | Nm |
| SFR-005SA1 | C | 3 | 5 | 3 | 6 | 16 | ─ | 22.7 | 7.85 | 6.4 | 0.3 | ─ | 4.8 | 2.5 | 5.5 | 1-M2 | 0,4 ~ 0,5 |
| SFR-010SA1 | C | 3 | 7 | 3 | 18 | 19 | ─ | 25.4 | 9.15 | 6.6 | 0.25 | ─ | 5,8(6) | 3.15 | 7.5 | 1-M2,5(M2) | 1,0 ~ 1,1(0,4 ~ 0,5) |
| SFR-020SA1 | C | 4 | 10 | 4 | 11 | 26 | ─ | 31.8 | 10.75 | 8.9 | 0.7 | ─ | 9.5 | 3.3 | 10.5 | 1-M2,5 | 1,0 ~ 1,1 |
| SFR-025SA1 | C | 5 | 13 | 5 | 14 | 29 | ─ | 32.3 | 10.75 | 9.4 | 0.7 | ─ | 11 | 3.3 | 13.5 | 1-M2,5 | 1,0 ~ 1,1 |
| SFR-030SA1 | A | 5 | 10 | 5 | 10 | 34 | 21,6 | 37,8 | 12,4 | 11 | 1 | 8 | ─ | 3,75 | 15,5 | 1-M3 | 1,5 ~ 1,9 |
| B | 5 | 10 | Über 10 | 16 | 21,6 | 8 | 12,5 | ||||||||||
| C | Über 10 | 15 | Über 10 | 16 | ─ | ─ | 12,5 | ||||||||||
| SFR-035SA1 | C | 6 | 18 | 6 | 19 | 39 | ─ | 48 | 15,5 | 15 | 1 | ─ | 14 | 4,5 | 18,5 | 1-M4 | 1,5 ~ 1,9 |
| SFR-040SA1 | A | 8 | 15 | 8 | 15 | 44 | 29,6 | 48 | 15,5 | 15 | 1 | 11 | ─ | 4,5 | 23,5 | 1-M4 | 3,4 ~ 4,1 |
| B | 8 | 15 | Über 15 | 24 | 29,6 | 11 | 17 | ||||||||||
| C | Über 15 | 22 | Über 15 | 24 | – | ─ | 17 | ||||||||||
| SFR-050SA1 | A | 8 | 19 | 8 | 19 | 56 | 38 | 59,8 | 20,5 | 17,4 | 0,7 | 14,5 | ─ | 6 | 29,5 | 1-M5 | 7,0, ~ 8,5 |
| B | 8 | 19 | Über 19 | 30 | 38 | 14,5 | 22 | ||||||||||
| C | Über 19 | 28 | Über 19 | 30 | – | ─ | 22 |
Im Bereich des Sondermaschinenbaus gibt es eine grosse Varianz an Anwendungen und Applikationen für die Antriebstechnik. So werden hier Hersteller von Spezial Drahtwickelmaschinen über hochkomplexe und vollautomatisierte Montageanlagen…

Ob im Bereich der Robotik, der Handling Automation oder bei Lineareinheiten, die Anforderungen an die aktuellen Servoantriebe steigen tagtäglich. Für die Sicherheitsfunktion im Stromausfall oder für die Notstop Funktion empfehlen wir unsere Sicherheitsbremsen…

Im Bereich der Werkzeugmaschinen blickt Miki Pulley mit Stolz auf eine lange und erfolgreiche Historie zurück. Mit einem Markanteil von über 80 % im Bereich der wellenflexiblen Kupplungen im japanischen Markt hat man sich als Marktführer in diesem Bereich etabliert…

Sie müssen den Inhalt von reCAPTCHA laden, um das Formular abzuschicken. Bitte beachten Sie, dass dabei Daten mit Drittanbietern ausgetauscht werden.
Mehr InformationenSie sehen gerade einen Platzhalterinhalt von Turnstile. Um auf den eigentlichen Inhalt zuzugreifen, klicken Sie auf die Schaltfläche unten. Bitte beachten Sie, dass dabei Daten an Drittanbieter weitergegeben werden.
Mehr Informationen