The Double Flex DA2 version of the Servoflex SFC series is a clean room compatible product that has been cleaned, assembled (ISO class 6) and packed in consideration of its use in clean rooms. It impresses with its high torsional stiffness including a possible compensation function in axial, parallel and angular direction. Due to the light and high-strength aluminum alloy, it has a low mass inertia.
| Model | Type | Rated torque (Nm) | Misalignment parallel (mm) | Misalignment angular (°) | Misalignment axial (mm) | Max. rpm (min-1) | Torsional stiffness (Nm/rad) | Axial stiffness (N/mm) | Inertia (kg·m2) | Mass (kg) |
| A | 7.46×10-6 | 0.054 | ||||||||
| SFC-030DA2 | B | 5 | 0.18 | 2 | ±0.4 | 10000 | 4000 | 32 | 9.49×10-6 | 0.06 |
| C | 11.60×10-6 | 0.069 | ||||||||
| SFC-035DA2 | C | 10 | 0.24 | 2 | ±0.5 | 10000 | 9000 | 56 | 27.03×10-6 | 0.122 |
| A | 30.03×10-6 | 0.124 | ||||||||
| SFC-040DA2 | B | 12 | 0.24 | 2 | ±0.6 | 10000 | 10000 | 40 | 35.91×10-6 | 0.132 |
| C | 42.60×10-6 | 0.147 | ||||||||
| A | 99.32×10-6 | 0.252 | ||||||||
| SFC-050DA2 | B | 25 | 0.28 | 2 | ±0.8 | 10000 | 16000 | 24 | 119.8×10-6 | 0.27 |
| C | 142.4×10-6 | 0.299 | ||||||||
| SFC-055DA2 | C | 40 | 0.31 | 2 | ±0.84 | 10000 | 25000 | 21.5 | 262.3×10-6 | 0.436 |
| A | 258.6×10-6 | 0.45 | ||||||||
| SFC-060DA2 | B | 60 | 0.34 | 2 | ±0.9 | 10000 | 35000 | 38.2 | 317.8×10-6 | 0.493 |
| C | 381.6×10-6 | 0.552 | ||||||||
| SFC-080DA2 | C | 100 | 0.52 | 2 | ±1.10 | 10000 | 70000 | 64 | 1047×10-6 | 1.05 |
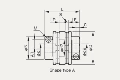
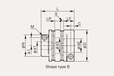
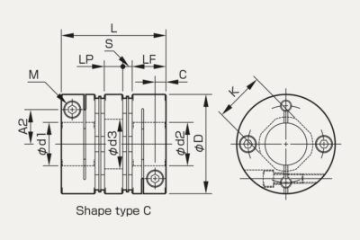
Unit [mm]
| Model | Typ | d1 Min. | d1 Max. | d2 Min. | d2 Max. | D | N | L | LF | LP | S | A1 | A2 | C | d3 | K | M | Nm Low dust | Nm Fluorine |
| A | 5 | 10 | 5 | 10 | 21.6 | 8 | ─ | ||||||||||||
| SFC-030DA2 | B | 5 | 10 | over 10 | 16 | 34 | 21.6 | 27.3 | 12.4 | 8 | 2.5 | 8 | 12.5 | 3.75 | 15 | 14.5 | 1-M3 | 1.5 | 3.2 |
| C | over 10 | 14 | over 10 | 16 | ─ | ─ | 12.5 | ||||||||||||
| SFC-035DA2 | C | 6 | 16 | 6 | 19 | 39 | ─ | 34 | 15.5 | 11 | 3 | ─ | 14 | 4.5 | 17 | 17 | 1-M4 | 4 | 7.7 |
| A | 8 | 15 | 8 | 15 | 29.6 | 11 | ─ | ||||||||||||
| SFC-040DA2 | B | 8 | 15 | over 15 | 24 | 44 | 29.6 | 34 | 15.5 | 11 | 3 | 11 | 17 | 4.5 | 20 | 19.5 | 1-M4 | 4 | 7.7 |
| C | over 15 | 19 | over 15 | 24 | ─ | ─ | 17 | ||||||||||||
| A | 8 | 19 | 8 | 19 | 38 | 14.5 | ─ | ||||||||||||
| SFC-050DA2 | B | 8 | 19 | over 19 | 30 | 56 | 38 | 43.4 | 20.5 | 14 | 2.4 | 14.5 | 22 | 6 | 26 | 26 | 1-M5 | 7 | 12 |
| C | over 19 | 25 | over 19 | 30 | ─ | ─ | 22 | ||||||||||||
| SFC-055DA2 | C | 10 | 30 | 10 | 30 | 63 | ─ | 50.6 | 24 | 15.5 | 2.6 | ─ | 23 | 7.75 | 31 | 31 | 1-M6 | 13 | 22.5 |
| A | 11 | 24 | 11 | 24 | 46 | 17.5 | ─ | ||||||||||||
| SFC-060DA2 | B | 11 | 24 | over 24 | 35 | 68 | 46 | 53.6 | 25.2 | 16.5 | 3.2 | 17.5 | 26.5 | 7.75 | 31 | 31 | 1-M6 | 13 | 22.5 |
| C | over 24 | 30 | over 24 | 35 | ─ | ─ | 26.5 | ||||||||||||
| SFC-080DA2 | C | 18 | 35 | 18 | 40 | 82 | ─ | 68 | 30 | 22 | 8 | ─ | 28 | 9 | 40 | 38 | 1-M8 | 27 | 45 |
Used in the field of robotics, handling automation or for the drive of linear actuators, the requirements to the new series of Servomotors is rising daily. For the safety application in a servomotor, especially in the case of a power shortage or emergency stop, Miki Pulley…

Miki Pulley is proudly looking back to a long year’s successful history in the field of machinetools. With a market share of over 80% in Japan in the field of flexible shaft couplings Miki Pulley could achieve the market leader position in this specific field. The flexible…

Miki Pulley is proudly looking back to a long year’s successful history in the field of machinetools. With a market share of over 80% in Japan in the field of flexible shaft couplings Miki Pulley could achieve the market leader position in this specific field. The flexible…

You need to load content from reCAPTCHA to submit the form. Please note that doing so will share data with third-party providers.
More InformationYou are currently viewing a placeholder content from Turnstile. To access the actual content, click the button below. Please note that doing so will share data with third-party providers.
More Information