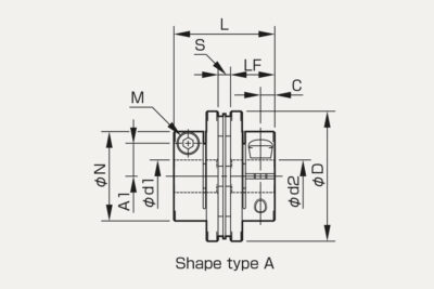
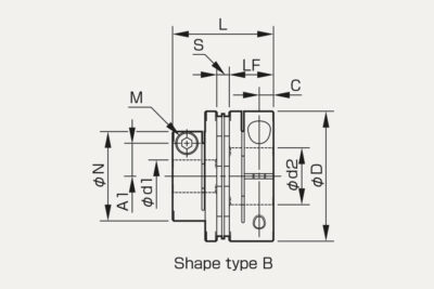
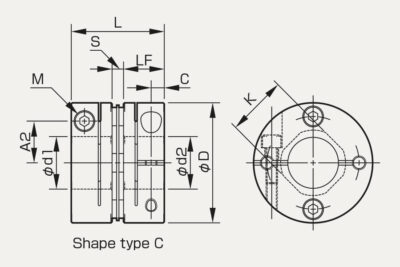
The Single Flex SA2 clean room version of the Servoflex SFC series is a clean room compatible product that has been cleaned, assembled (ISO class 6) and packed in consideration of its use in clean rooms. It impresses with its extremely high torsional stiffness combined with possible compensation in axial and angular direction. Due to the light and high-strength aluminum alloy it has a low mass inertia.












