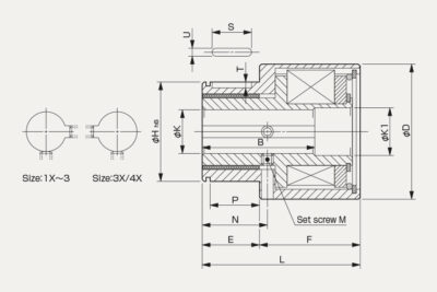
In the field of special machine construction there is a large variety of applications and usage of drive technology equipment. As this field is extremely wide in applications Miki Pulley is supplying to special coil winding machine producers, ship loaders…










